Габаритно-присоединительные размеры. Одноступенчатый цилиндрический мотор-редуктор Motox E148 Flender

 

Назад

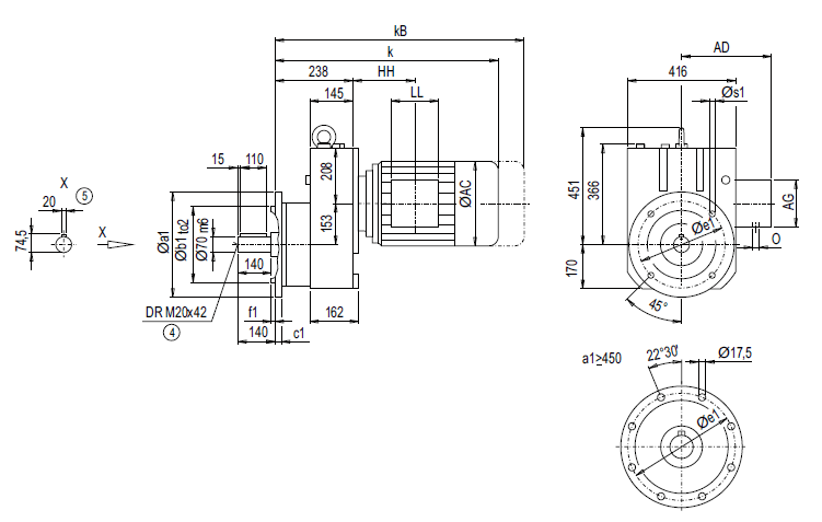
Монтажное исполнение на лапах E148

Монтажное исполнение на лапах E148

Мотор

E148

k


kB


AC


AD


AG


LL


HH


O

Вес

E148

LA132S/M

636.5

738.5

259.0

195.0

140

140

137.0

2xM32x1.5

169

LA132ZM

682.5

784.5

259.0

195.0

140

140

245.0

2xM32x1.5

190

LA160M/L

736.5

855.0

313.5

227.0

165

165

160.0

2xM40x1.5

203

LA160ZL

784.5

903

313.5

227.0

165

165

313.0

2xM40x1.5

242

LG180M/L

796.0

918.0

348.0

322.5

260

192

177.0

2xM40x1.5

298

LG180ZM/ZL

847.0

969.0

348.0

322.5

260

192

177.0

2xM40x1.5

328

LG200L

852.0

978.0

385.0

301.0

260

192

207.0

2xM50x1.5

378

LG225S

923.0

1 162.0

442.0

325.0

260

192

243.0

2xM50x1.5

452

LG225M

923.0

1 162.0

442.0

325.0

260

192

243.0

2xM50x1.5

440

LG225ZM

983.0

1 222.0

442.0

325.0

260

192

243.0

2xM50x1.5

498

LG250M

1 016.5

1 241.5

495.0

392.0

300

236

278.5

2xM63x1.5

542

LG250ZM

1 086.5

1 312.0

495.0

392.0

300

236

278.5

2xM63x1.5

645

K4-LGI280S

1 296.0

1 523.0

555.0

432.0

300

236

490.0

2xM63x1.5

774

K4-LGI280M

1 296.0

1 523.0

555.0

432.0

300

236

490.0

2xM63x1.5

785

K4-LGI280ZM

1 406.0

1 633.0

555.0

432.0

300

236

490.0

2xM63x1.5

874

 

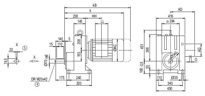
Монтажное исполнение на фланце EF148 (тип A)

Монтажное исполнение на фланце EF148 (тип A)

Фланец

a1

b1

to2

c1

e1

f1

s1

A350

350

250

h6

18

300

5

17.5

A450

450

350

h6

22

400

5

17.5

A550

550

450

h6

25

500

5

17.5

 

Мотор

EF148

k


kB


AC


AD


AG


LL


HH


O

Вес

EF148

LA132S/M

636.5

738.5

259.0

195.0

140

140

137.0

2xM32x1.5

180

LA132ZM

682.5

784.5

259.0

195.0

140

140

245.0

2xM32x1.5

202

LA160M/L

736.5

855.0

313.5

227.0

165

165

160.0

2xM40x1.5

214

LA160ZL

784.5

903

313.5

227.0

165

165

313.0

2xM40x1.5

253

LG180M/L

796.0

918.0

348.0

322.5

260

192

177.0

2xM40x1.5

310

LG180ZM/ZL

847.0

969.0

348.0

322.5

260

192

177.0

2xM40x1.5

340

LG200L

852.0

978.0

385.0

301.0

260

192

207.0

2xM50x1.5

390

LG225S

923.0

1 162.0

442.0

325.0

260

192

243.0

2xM50x1.5

464

LG225M

923.0

1 162.0

442.0

325.0

260

192

243.0

2xM50x1.5

452

LG225ZM

983.0

1 222.0

442.0

325.0

260

192

243.0

2xM50x1.5

510

LG250M

1 016.5

1 241.5

495.0

392.0

300

236

278.5

2xM63x1.5

554

LG250ZM

1 086.5

1 312.0

495.0

392.0

300

236

278.5

2xM63x1.5

657

K4-LGI280S

1 296.0

1 523.0

555.0

432.0

300

236

490.0

2xM63x1.5

786

K4-LGI280M

1 296.0

1 523.0

555.0

432.0

300

236

490.0

2xM63x1.5

797

K4-LGI280ZM

1 406.0

1 633.0

555.0

432.0

300

236

490.0

2xM63x1.5

886

 

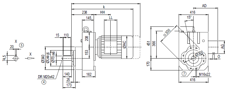
Монтажное исполнение с фланцевым корпусом (тип C) EZ148

Монтажное исполнение с фланцевым корпусом (тип C) EZ148

Мотор

EZ148

k


kB


AC


AD


AG


LL


HH


O

Вес

EZ148

LA132S/M

636.5

738.5

259.0

195.0

140

140

137.0

2xM32x1.5

154

LA132ZM

682.5

784.5

259.0

195.0

140

140

245.0

2xM32x1.5

175

LA160M/L

736.5

855.0

313.5

227.0

165

165

160.0

2xM40x1.5

188

LA160ZL

784.5

903

313.5

227.0

165

165

313.0

2xM40x1.5

227

LG180M/L

796.0

918.0

348.0

322.5

260

192

177.0

2xM40x1.5

283

LG180ZM/ZL

847.0

969.0

348.0

322.5

260

192

177.0

2xM40x1.5

313

LG200L

852.0

978.0

385.0

301.0

260

192

207.0

2xM50x1.5

363

LG225S

923.0

1 162.0

442.0

325.0

260

192

243.0

2xM50x1.5

437

LG225M

923.0

1 162.0

442.0

325.0

260

192

243.0

2xM50x1.5

425

LG225ZM

983.0

1 222.0

442.0

325.0

260

192

243.0

2xM50x1.5

483

LG250M

1 016.5

1 241.0

495.0

392.0

300

236

278.5

2xM63x1.5

527

LG250ZM

1 086.5

1 312.0

495.0

392.0

300

236

278.5

2xM63x1.5

630

K4-LGI280S

1 296.0

1 523.0

555.0

432.0

300

236

490.0

2xM63x1.5

759

K4-LGI280M

1 296.0

1 523.0

555.0

432.0

300

236

490.0

2xM63x1.5

770

K4-LGI280ZM

1 406.0

1 633.0

555.0

432.0

300

236

490.0

2xM63x1.5

859

Назад

 
© 2014 Редукторы, мотор-редукторы, устройства плавного пуска, преобразователи частоты