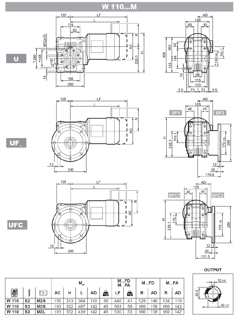
Габаритно-присоединительные размеры W110

 

Назад

Габаритно-присоединительные размеры W110

Габаритно-присоединительные размеры W110

Назад

 
© 2014 Редукторы, мотор-редукторы, устройства плавного пуска, преобразователи частоты