
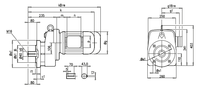
Габаритные и присоединительные размеры NORD мотор-редукторы SK 51E, SK 51EF |
| |
SK 51E

SK 51EF

a1 |
b1 |
c1 |
e1 |
f1 |
s1 |
250 |
180 |
16 |
215 |
4,0 |
14 |
300 |
230 |
20 |
265 |
3,5 |
14 |
A45 |
112 M |
132 S/M |
160 M/L |
180 MX/LX |
g |
228 |
266 |
320 |
358 |
g1 / g1Bre |
179 / 182 |
204 / 201 |
242 / 242 |
259 / 259 |
k / kBre |
564 / 657 |
650 / 757 |
727 / 906 |
857 / 962 |
m / mBre |
48 / 52 |
51 / 44 |
52 / 52 |
113 / 98 |
n / nBre |
114 / 153 |
122 / 185 |
186 / 186 |
132 / 162 |
p / pBre |
114 / 108 |
122 / 139 |
186 / 186 |
152 / 162 |
|
| |