
Общие ведомости запасных частей цилиндро-конических мотор-редукторов NORD |
| |
 |
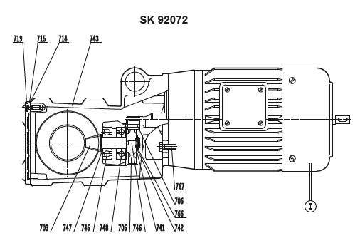
703 Пара конических шестерен
705 Приводное колесо
706 Приводная шестерня
707 Выходной вал
708 Шпонка
710 Манжетное уплотнение вала
711 Стопорное кольцо
712 Регулировочный диск
713 Шарикоподшипник
714 Прокладка
715 Крышка корпуса
716 Дистанционная втулка
719 Винт с цилиндрической головкой
720 Шпонка
721 Стопорное кольцо
722 Шарикоподшипник
723 Защитная крышка
724 Крепежный элемент
741 Регулировочный диск
742 Опорная шайба
743 Корпус редуктора
744 Фланец
745 Шарикоподшипник
746 Шпонка
747 Регулировочный диск
748 Шарикоподшипник
749 Просечной штифт
751 Усадочный стяжной диск
752 Резиновый буфер
753 Винт с цилиндрической головкой
754 Крышка
755 Винт с цилиндрической головкой
766 Шлицевая гайка
767 Винт с шестигранной головкой |
 |
 |
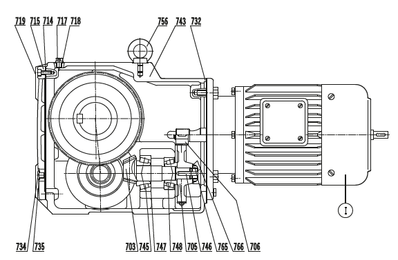
703 Пара конических шестерен
705 Приводное колесо
706 Приводная шестерня
707 Выходной вал
708 Шпонка
709 Манжетное уплотнение вала
710 Манжетное уплотнение вала
711 Стопорное кольцо
712 Регулировочный диск
713 Шарикоподшипник
714 Прокладка
715 Крышка корпуса
716 Дистанционная втулка
719 Винт с цилиндрической головкой
720 Шпонка
721 Стопорное кольцо
722 Шарикоподшипник
723 Защитная крышка
724 Крепежный элемент
728 Прокладка
730 Крышка редуктора
731 Стопорное кольцо
732 Прокладка
739 Стопорное кольцо
741 Регулировочный диск
742 Опорная шайба
743 Корпус редуктора
744 Фланец
745 Шарикоподшипник
746 Шпонка
747 Регулировочный диск
748 Шарикоподшипник
749 Просечной штифт
751 Усадочный стяжной диск
752 Упор против проворачивания
753 Винт с цилиндрической головкой
754 Крышка
755 Винт с цилиндрической головкой
766 Стопорное кольцо
767 Винт с цилиндрической головкой
769 Винт с шестигранной головкой
775 Опорная шайба |
 |
 |
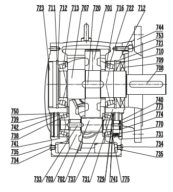
SK 9012.1 - SK 9096.1
Исполнение для крепления на лапах

|
701 Ведомое колесо
702 Вал-шестерня
703 Пара конических шестерен
705 Приводное колесо
706 Приводная шестерня
707 Полый вал
709 Манжетное уплотнение вала
710 Манжетное уплотнение вала
711 Стопорное кольцо
712 Регулировочный диск
713 Конический роликовый подшипник
714 Прокладка
715 Крышка корпуса
716 Дистанционная втулка
717 Резьбовая пробка воздушного клапана
718 Резиноасбестовое уплотнение для масла
719 Винт с цилиндрической головкой
720 Шпонка
721 Стопорное кольцо
722 Конический роликовый подшипник
723 Защитная крышка
724 Шайба
725 Пружинное кольцо
726 Винт с цилиндрической головкой
729 Опорная шайба
731 Стопорное кольцо
732 Прокладка
733 Шпонка
734 Резьбовая пробка
735 Резиноасбестовое уплотнение для масла
737 Конический роликовый подшипник
738 Конический роликовый подшипник
739 Стопорное кольцо
740 Защитная крышка
741 Регулировочный диск
742 Опорная шайба
743 Корпус редуктора
745 Конический роликовый подшипник
746 Шпонка
747 Регулировочный диск
748 Конический роликовый подшипник
750 Защитная крышка
751 Усадочный стяжной диск
752 Упор против проворачивания
753 Винт с цилиндрической головкой
755 Резинометаллическая втулка
756 Рым-болт
765 Шлицевая гайка
766 Стопорная шайба 770 Ограничитель обратного хода
773 Шпонка
774 Стопорное кольцо
775 Опорная шайба |
 |
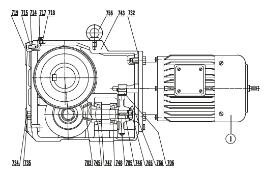
SK 9012.1 - SK 9096.1
Исполнение для фланцевого монтажа

|
701 Ведомое колесо
702 Вал-шестерня
703 Пара конических шестерен
705 Приводное колесо
706 Приводная шестерня
707 Полый вал
709 Манжетное уплотнение вала
710 Манжетное уплотнение вала
711 Стопорное кольцо
712 Регулировочный диск
713 Конический роликовый подшипник
714 Прокладка
715 Крышка корпуса
716 Дистанционная втулка
717 Резьбовая пробка воздушного клапана
718 Резиноасбестовое уплотнение для масла
719 Винт с цилиндрической головкой
720 Шпонка
721 Стопорное кольцо
722 Конический роликовый подшипник
724 Шайба
725 Пружинное кольцо
726 Винт с цилиндрической головкой
729 Опорная шайба
731 Стопорное кольцо
732 Прокладка
733 Шпонка
734 Резьбовая пробка
735 Резиноасбестовое уплотнение для масла
737 Конический роликовый подшипник
738 Конический роликовы подшипник
739 Стопорное кольцо
740 Защитная крышка
741 Регулировочный диск
742 Опорная шайба
743 Корпус редуктора
745 Конический роликовый подшипник
746 Шпонка
747 Регулировочный диск
748 Конический роликовый подшипник
750 Защитная крышка
751 Усадочный стяжной диск
752 Упор против проворачивания
753 Винт с цилиндрической головкой
755 Резинометаллическая втулка
756 Рым-болт
765 Шлицевая гайка
766 Стопорная шайба 770 Ограничитель обратного хода
773 Шпонка
774 Стопорное кольцо
775 Опорная шайба |
 |
SK 9012.1 - SK 9096.1AZ
Исполнение для насадного монтажа

|
701 Ведомое колесо
702 Вал-шестерня
703 Пара конических шестерен
705 Приводное колесо
706 Приводная шестерня
707 Полый вал
709 Манжетное уплотнение вала
710 Манжетное уплотнение вала
711 Стопорное кольцо
712 Регулировочный диск
713 Конический роликовый подшипник
714 Прокладка
715 Крышка корпуса
716 Дистанционная втулка
717 Резьбовая пробка воздушного клапана
718 Резиноасбестовое уплотнение для масла
719 Винт с цилиндрической головкой
720 Шпонка
721 Стопорное кольцо
722 Конический роликовый подшипник
724 Шайба
725 Пружинное кольцо
726 Винт с цилиндрической головкой
729 Опорная шайба
731 Стопорное кольцо
732 Прокладка
733 Шпонка
734 Резьбовая пробка
735 Резиноасбестовое уплотнение для масла
737 Конический роликовый подшипник
738 Конический роликовый подшипник
739 Стопорное кольцо
740 Защитная крышка
741 Регулировочный диск
742 Опорная шайба
743 Корпус редуктора
745 Конический роликовый подшипник
746 Шпонка
747 Регулировочный диск
748 Конический роликовый подшипник
750 Защитная крышка
751 Усадочный стяжной диск
752 Упор против проворачивания
753 Винт с цилиндрической головкой
755 Резинометаллическая втулка
756 Рым-болт
765 Шлицевая гайка
766 Стопорная шайба
770 Ограничитель обратного хода
773 Шпонка
774 Стопорное кольцо
775 Опорная шайба |
 |
SK 9013.1 - SK 9053.1
Исполнение для крепления на лапах. Исполнение для фланцевого монтажа VF. Исполнение для насадного монтажа AZ

|
5 Приводное колесо
6 Приводная шестерня
27 Крепежный винт
28 Прокладка
29 Опорная шайба
30 Навесной корпус
45 Радиальный шарикоподшипник
46 Шпонка
48 Радиальный шарикоподшипник
52 Стопорное кольцо
53 Шпонка
54 Стопорное кольцо
55 Промежуточный вал, гладкий
56 Промежуточный вал, зубчатый
57 Стопорное кольцо
58 Стопорное кольцо
59 Регулировочный диск
60 Стопорное кольцо
61 Стопорное кольцо
62 Резьбовая пробка
63 Резиноасбестовое уплотнение для масла
109 Манжетное уплотнение вала
112 Радиальный шарикоподшипник
114 Промежуточный фланец
115 Пружинное кольцо
116 Крепежный винт
117 Пружинное кольцо
118 Крепежный винт
119 Передаточный вал, гладкий
120 Передаточный вал, зубчатый
121 Втулка подшипника
124 Стопорное кольцо
125 Стопорное кольцо |
SK 9072.1/32 - SK 9096.1/63
Исполнение для крепления на лапах. Исполнение для фланцевого монтажа VF. Исполнение для насадного монтажа AZ

|
|
| |