|

Монтажные положения, и количество масла Nord |
| |




Уровень масла
Масло [L] |
 |
 |
A51 |
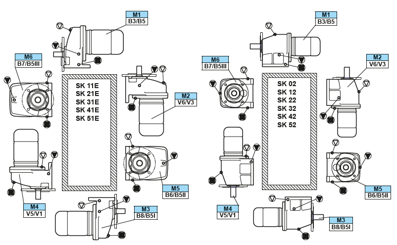
M1 M2 M3 M4 M5 M6 |
M1 M2 M3 M4 M5 M6 |
A53 |
B3 V6 B8 V5 B6 B7 |
B5 V3 B5I V1 B5II B5III |
SK 11E |
0,25 0,50 0,55 0,40 0,35 0,35 |
0,30 0,35 0,50 0,30 0,40 0,40 |
SK 21E |
0,60 1,20 1,20 1,00 1,00 1,00 |
0,50 1,40 1,10 0,70 0,90 0,90 |
SK 31E |
1,10 2,70 2,20 2,30 1,70 1,70 |
0,80 1,30 1,65 1,10 2,00 2,00 |
SK 41E |
1,70 2,60 3,30 2,50 2,60 2,60 |
1,00 2,60 2,80 1,60 3,30 3,30 |
SK 51E |
2,20 4,40 4,70 4,00 3,40 3,40 |
1,80 3,50 4,10 3,00 3,80 3,80 |
Масло [L] |
 |
 |
SK 02 |
0,15 0,60 0,70 0,60 0,40 0,40 |
0,25 0,60 0,60 0,60 0,50 0,50 |
SK 12 |
0,25 0,75 0,85 0,75 0,50 0,50 |
0,35 0,85 0,90 0,90 0,60 0,60 |
SK 22 |
0,50 1,80 2,00 1,80 1,35 1,35 |
0,70 2,00 2,00 1,80 1,55 1,55 |
SK 32 |
0,90 2,50 3,00 2,90 2,00 2,00 |
1,30 2,90 3,30 3,10 2,40 2,40 |
SK 42 |
1,30 4,50 4,50 4,30 3,20 3,20 |
1,80 4,40 4,50 4,00 3,70 3,70 |
SK 52 |
2,50 7,00 6,80 6,80 5,10 5,10 |
3,00 6,80 6,20 7,40 5,60 5,60 |
Масло [L] |
 |
 |
SK 62 |
6,50 15,0 13,0 16,0 15,0 15,0 |
7,00 15,0 14,0 18,5 16,0 16,0 |
SK 72 |
9,00 23,0 18,0 26,0 23,0 23,0 |
10,0 23,0 18,5 28,0 23,0 23,0 |
SK 82 |
14,0 35,0 27,0 44,0 32,0 32,0 |
15,0 37,0 29,0 45,0 34,5 34,5 |
SK 92 |
25,0 73,0 47,0 76,0 52,0 52,0 |
26,0 73,0 47,0 78,0 52,0 52,0 |
SK 102 |
36,0 79,0 66,0 102 71,0 71,0 |
40,0 81,0 66,0 104 72,0 72,0 |
Масло [L] |
 |
 |
SK 03 |
0,30 1,00 0,80 0,90 0,60 0,60 |
0,50 0,80 0,90 1,10 0,80 0,80 |
SK 13 |
0,60 1,25 1,10 1,20 0,70 0,70 |
0.,85 1,20 1,20 1,20 0,95 0,95 |
SK 23 |
1,30 2,40 2,30 2,35 1,60 1,60 |
1,50 2,60 2,50 2,80 2,80 2,80 |
SK 33N |
1,60 2,90 3,20 3,70 2,30 2,30 |
2,50 3,40 3,50 4,40 2,60 2,60 |
SK 43 |
3,00 5,60 5,30 6,60 3,60 3,60 |
3,50 5,70 5,00 6,10 4,10 4,10 |
SK 53 |
4,50 8,70 7,70 8,70 6,00 6,00 |
5,20 8,40 7,00 8,90 6,70 6,70 |
Масло [L] |
 |
 |
SK 63 |
13,0 14,5 14,5 16,0 13,0 13,0 |
13,5 14,0 15,5 18,0 14,0 14,0 |
SK 73 |
20,5 20,0 22,5 27,0 20,0 20,0 |
22,0 22,5 23,0 27,5 20,0 20,0 |
SK 83 |
30,0 31,0 34,0 37,0 33,0 33,0 |
31,0 34,0 35,0 40,0 34,0 34,0 |
SK 93 |
53,0 70,0 59,0 72,0 49,0 49,0 |
53,0 70,0 59,0 74,0 49,0 49,0 |
SK 103 |
74,0 71,0 74,0 97,0 67,0 67,0 |
69,0 78,0 78,0 99,0 67,0 67,0 |
|
| |
|
| ©
2014 Редукторы, мотор-редукторы, устройства плавного пуска, преобразователи частоты |
|
|