Серия имеет следующие типоразмеры:
СMU30-U30, СMU30-U40, СMU30-U50, CMU40-U40, CMU40-U50, CMU40-U63, CMU40-U75, CMU40-U90, CMU50-U75, CMU50-U90, CMU50-U110, CMU63-U90, CMU63-U110, CMU75-U110, CMU75-I130, CMU75-I130, CMU90-I175
Система обозначения червячных мотор-редукторов серии VF/W
С |
MU |
- 40 |
- U |
- 50 |
- 1200 |
- 1,17 |
- F |
- AAL |
- 0,12 |
- 252 |
- 380 |
- 50 |
- (4P)
|
1 |
2 |
3 |
4 |
5 |
6 |
7 |
8 |
9 |
10 |
11 |
12 |
11 |
12 |
1 – Cерия двухступенчатого редуктора
2 – Cерия редуктора первой ступени (MI,MU)
3 – Межосевое расстояние редуктора первой ступени, мм
(30,40,50,63,75,90,110,130,150,175)
4 – Cерия редуктора второй ступени (I,U)
5 – Межосевое расстояние редуктора второй ступени, мм
(30,40,50,63,75,90,110,130,150,175)
6 – Номинальное передаточное отношение сборки
7 – Число оборотов выходного вала, об/мин
8 – Фланец на выходном валу редуктора (F,FBR,FBM,FBML)
9 – Монтажное положение (BAL,BAR,AAL,AAR,VAL,VAR,WAL,WAR)
10 – Мощность электродвигателя, kW
11 – Крутящий момент на выходном валу, Nm
12 – Напряжение питания электродвигателя, V
13 – Частота питающей сети, Гц
14 – Количество полюсов электродвигателя (2,4,6) |
Типоразмер |
M max, Нм |
D - выходного вала,
мм |
СMU30-U30 |
44 |
14 |
СMU30-U40 |
62 |
18 |
СMU30-U50 |
106 |
25 |
CMU40-U40 |
77 |
18 |
CMU40-U50 |
124 |
25 |
CMU40-U63 |
235 |
25 |
CMU40-U75 |
310 |
28 |
CMU40-U90 |
590 |
35 |
CMU50-U75 |
560 |
28 |
CMU50-U90 |
650 |
35 |
CMU50-U110 |
900 |
42 |
CMU63-U90 |
720 |
35 |
CMU63-U110 |
980 |
42 |
CMU75-U110 |
1100 |
42 |
CMU75-I130 |
1750 |
48 |
CMU90-I150 |
2700 |
55 |
CMU90-I175 |
4500 |
60 |
|
Габаритные и присоединительные размеры
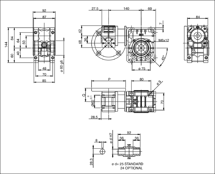
Червячные редукторы CMU30-U40
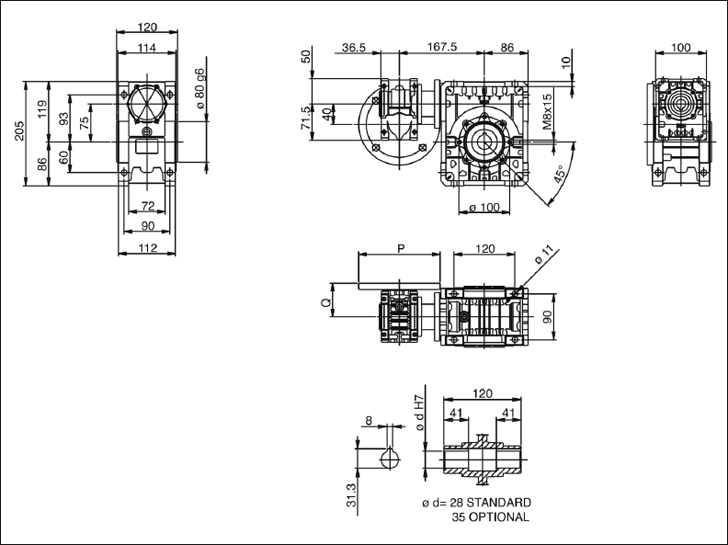
Червячные редукторы CMU30-U50
Червячные редукторы CMU30-U63
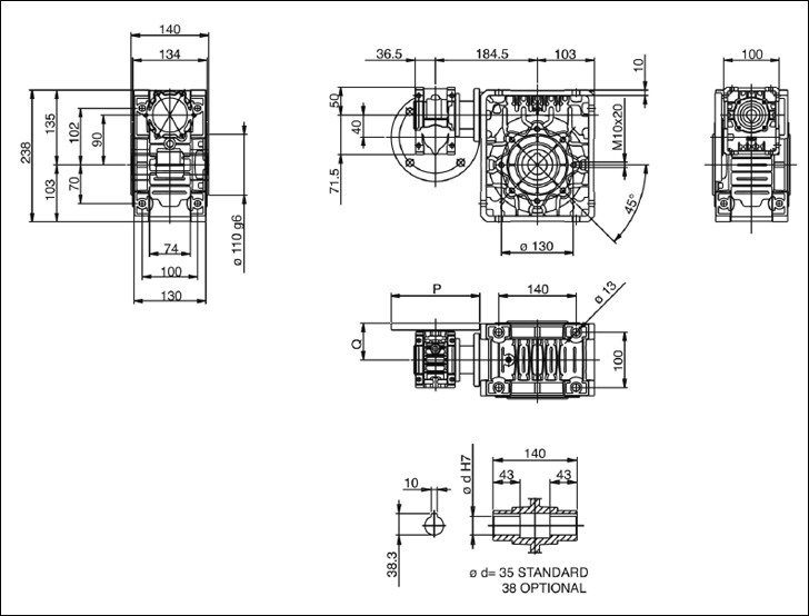
Червячные редукторы CMU40-U75
Червячные редукторы CMU40-U90
Червячные редукторы CMU50-U110
Реактивная штанга, выходной вал
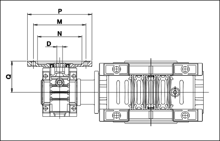
Присоединительные размеры фланца электродвигателя
Монтажные положения
Вес червячных редукторов серии CMU, кг
Выходные обороты и мощность электродвигателей (кВт) pdf.
CMU30-U40

Назад
CMU30-U50

Назад
CMU30-U63

Назад
CMU40-U75

Назад
CMU40-U90

Назад
CMU50-U110

Назад
Присоединительные размеры фланца электродвигателя

|
PAM |
N |
M |
P |
Q |
225 |
300 |
400 |
450 |
500 |
600 |
750 |
900 |
1200 |
1500 |
1800 |
2400 |
3200 |
4000 |
5000 |
D |
CMU30-U40 |
56B5 |
80 |
100 |
120 |
54,5 |
9 |
9 |
9 |
9 |
9 |
9 |
9 |
9 |
9 |
9 |
9 |
9 |
9 |
9 |
9 |
5614 |
50 |
65 |
80 |
54,5 |
CMU30-U50 |
56B5 |
80 |
100 |
120 |
54,5 |
9 |
9 |
9 |
9 |
9 |
9 |
9 |
9 |
9 |
9 |
9 |
9 |
9 |
9 |
9 |
5614 |
50 |
65 |
80 |
54,5 |
63B5 |
95 |
115 |
140 |
54,5 |
11 |
11 |
11 |
11 |
|
|
|
|
|
|
|
|
|
|
|
63B14 |
60 |
75 |
90 |
54,5 |
CMU30-U63 |
56B5 |
80 |
100 |
120 |
54,5 |
9 |
9 |
9 |
9 |
9 |
9 |
9 |
9 |
9 |
9 |
9 |
9 |
9 |
9 |
9 |
5614 |
60 |
75 |
90 |
54,5 |
63B5 |
50 |
65 |
80 |
54,5 |
11 |
11 |
11 |
11 |
11 |
11 |
11 |
11 |
11 |
|
|
|
|
|
|
63B14 |
60 |
75 |
90 |
54,5 |
CMU40-U75 |
63B5 |
95 |
115 |
140 |
65 |
11 |
11 |
11 |
11 |
11 |
11 |
11 |
11 |
11 |
11 |
11 |
11 |
11 |
11 |
11 |
63B14 |
60 |
75 |
90 |
65 |
71B5 |
110 |
130 |
160 |
66 |
14 |
14 |
14 |
14 |
14 |
14 |
14 |
14 |
14 |
|
|
|
|
|
|
71B14 |
70 |
85 |
105 |
66 |
CMU40-U90 |
63B5 |
95 |
115 |
140 |
65 |
11 |
11 |
11 |
11 |
11 |
11 |
11 |
11 |
11 |
11 |
11 |
11 |
11 |
11 |
11 |
63B14 |
60 |
75 |
90 |
65 |
71B5 |
110 |
130 |
160 |
66 |
14 |
14 |
14 |
14 |
14 |
14 |
14 |
14 |
14 |
|
|
|
|
|
|
71B14 |
70 |
85 |
105 |
66 |
CMU50-U110 |
63B5 |
95 |
115 |
140 |
78 |
|
|
|
|
|
|
|
|
|
|
11 |
11 |
11 |
11 |
11 |
63B14 |
/ |
/ |
/ |
/ |
71B5 |
110 |
130 |
160 |
78 |
14 |
14 |
14 |
14 |
14 |
14 |
14 |
14 |
14 |
14 |
14 |
14 |
14 |
|
|
71B14 |
70 |
85 |
105 |
75 |
80B5 |
130 |
165 |
200 |
78 |
19 |
19 |
19 |
19 |
19 |
19 |
19 |
19 |
|
|
|
|
|
|
|
80B14 |
80 |
100 |
120 |
77 |
Назад
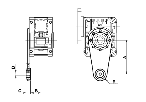
Реактивная штанга, выходной вал

|
A |
A1 |
B |
B1 |
C |
C1 |
D h7 |
d |
L |
b1 |
t1 |
MU30 |
28,5 |
57 |
35 |
35 |
30 |
30 |
14 |
M5 |
127 |
5 |
16 |
MU40 |
39 |
78 |
43 |
43 |
40 |
40 |
18 |
M5 |
164 |
6 |
20,5 |
MU50 |
46 |
92 |
53,5 |
53,5 |
50 |
50 |
25 |
M8 |
199 |
8 |
28 |
MU63 |
56 |
112 |
65 |
53,5 |
60 |
50 |
25 |
M8 |
219 |
8 |
28 |
MU75 |
60 |
120 |
70 |
63,5 |
60 |
60 |
28 |
M8 |
247 |
8 |
31 |
MU90 |
70 |
140 |
65 |
84,5 |
60 |
80 |
35 |
M8 |
309 |
8 |
38 |
MU110 |
77,5 |
155 |
126 |
84,5 |
110 |
80 |
52 |
M10 |
324 |
12 |
45 |

|
A |
B |
C |
D |
R |
MU30 |
85 |
26,5 |
12,5 |
8 |
12,4 |
MU40 |
100 |
29,5 |
20 |
10 |
30 |
MU50 |
100 |
35,5 |
20 |
10 |
36 |
MU63 |
150 |
46 |
20 |
10 |
30 |
MU75 |
200 |
47,5 |
25 |
14 |
37,5 |
MU90 |
200 |
57,5 |
25 |
14 |
37,5 |
MU110 |
250 |
64,5 |
25 |
14 |
37,5 |
Назад
Монтажные положения двухступенчатых червячных редукторов серии CMU

Назад
Положение клемной коробки электродвигателя

Назад
Вес червячных редукторов серии CMU
MU 30 |
1 |
MU 40 |
2 |
MU 50 |
3,4 |
MU 63 |
5,5 |
MU 75 |
8 |
MU 90 |
13 |
MU110 |
20 |
Предлагаем из наличия аналоги мотор-редукторов MU по низкой цене. Подробное описание и технические характеристики редукторов NMRV можно найти тут
|