
Габаритные и присоединительные размеры NORD мотор-редукторы SK 9082.1, SK 9082.1AX, SK 9082.1AF, SK 9082.1VF, SK 9082.1AFB(AXB), SK 9082.1AZ, SK 9082.1AZEA, SK 9082.1AZB, SK 9082.1AZSH, SK 9082.1 AZK |
| |
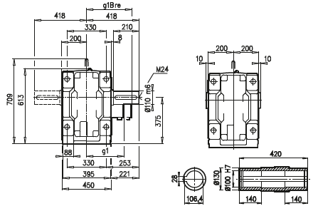
| SK 9082.1 |
SK 9082.1AX |
 |
 |
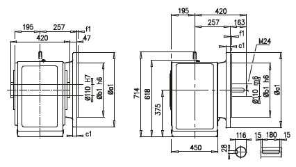
| SK 9082.1AF |
SK 9082.1VF |
 |
 |
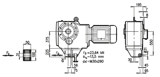
a1 |
b1 |
c1 |
e1 |
f1 |
s1 |
550 |
450 |
28 |
500 |
5 |
8x18 |
A45 |
132 S/M |
160 M/L |
180 MX/LX |
200 L |
225 S/M |
250 M1) |
280 S1) |
280 M2) |
g |
266 |
320 |
358 |
398 |
398 |
495 |
555 |
555 |
g1 / g1Bre |
204 / 201 |
242 / 242 |
259 / 259 |
306 / 306 |
306 / 306 |
392 / 392 |
432 / 432 |
432 / 432 |
k1 / k1Bre |
1175 / 1282 |
1232 / 1411 |
1242 / 1447 |
1427 / 1594 |
1427 / 1594 |
1480 / 1730 |
1550 / 1730 |
1568 / 1858 |
k / kBre |
1160 / 1267 |
1217 / 1396 |
1227 / 1432 |
1412 / 1579 |
1412 / 1579 |
1465 / 1715 |
1535 / 1715 |
1553 / 1843 |
m / mBre |
71 / 64 |
52 / 52 |
93 / 78 |
110 / 110 |
110 / 110 |
129 / 129 |
144 / 144 |
144 / 144 |
n / nBre |
122 / 185 |
186 / 186 |
132 / 162 |
192 / 192 |
192 / 192 |
236 / 236 |
236 / 236 |
236 / 236 |
p / pBre |
122 / 139 |
186 / 186 |
152 / 162 |
260 / 260 |
260 / 260 |
300 / 300 |
300 / 300 |
300 / 300 |
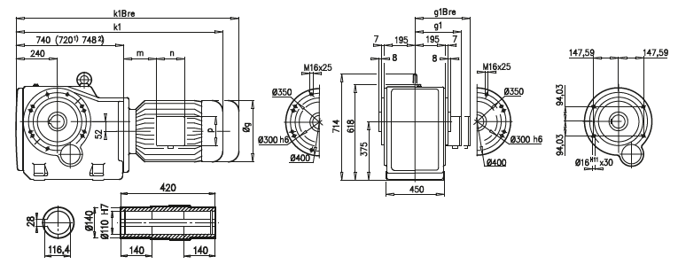
| SK 9082.1AZ |
 |
| SK 9082.1 AZK |
 |
A45 |
132 S/M |
160 M/L |
180 MX/LX |
200 L |
225 S/M |
250 M1) |
280 S1) |
280 M2) |
g |
266 |
320 |
358 |
398 |
398 |
495 |
555 |
555 |
g1 / g1Bre |
204 / 201 |
242 / 242 |
259 / 259 |
306 / 306 |
306 / 306 |
392 / 392 |
432 / 432 |
432 / 432 |
k1 / k1Bre |
1175 / 1282 |
1232 / 1411 |
1242 / 1447 |
1427 / 1594 |
1427 / 1594 |
1480 / 1730 |
1550 / 1730 |
1568 / 1858 |
m / mBre |
71 / 64 |
52 / 52 |
93 / 78 |
110 / 110 |
110 / 110 |
129 / 129 |
144 / 144 |
144 / 144 |
n / nBre |
122 / 185 |
186 / 186 |
132 / 162 |
192 / 192 |
192 / 192 |
236 / 236 |
236 / 236 |
236 / 236 |
p / pBre |
122 / 139 |
186 / 186 |
152 / 162 |
260 / 260 |
260 / 260 |
300 / 300 |
300 / 300 |
300 / 300 |
|
| |