
Габаритные и присоединительные размеры NORD мотор-редукторы SK 9052.1, SK 9052.1AX, SK 9052.1AF, SK 9052.1VF, SK 9052.1AFB(AXB), SK 9052.1AZ, SK 9052.1AZEA, SK 9052.1AZB, SK 9052.1AZSH, SK 9052.1 AZD, SK 9052.1 AZK |
| |
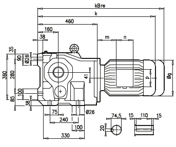
| SK 9052.1 |
SK 9052.1AX |
 |
 |
| SK 9052.1AF |
SK 9052.1VF |
 |
 |
a1 |
b1 |
c1 |
e1 |
f1 |
s1 |
400 |
300 |
20 |
350 |
5 |
4 x 18 |
450 |
350 |
16 |
400 |
5 |
8 x 18 |
A45 |
90 S/L |
100 L |
112 M |
132 S/M |
160 M/L |
180 MX/LX |
g |
183 |
201 |
228 |
266 |
320 |
358 |
g1 / g1Bre |
147 / 147 |
169 / 172 |
179 / 182 |
204 / 201 |
242 / 242 |
259 / 259 |
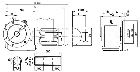
k1 / k1Bre |
763 / 838 |
793 / 884 |
816 / 909 |
902 / 1009 |
979 / 1158 |
1107 / 1212 |
k / kBre |
736 / 811 |
766 / 857 |
789 / 882 |
875 / 982 |
952 / 1131 |
1082 / 1187 |
m / mBre |
26 / 30 |
32 / 36 |
48 / 52 |
51 / 44 |
52 / 52 |
93 / 78 |
n / nBre |
114 / 153 |
114 / 153 |
114 / 153 |
122 / 185 |
186 / 186 |
132 / 162 |
p / pBre |
114 / 108 |
114 / 108 |
114 / 108 |
122 / 139 |
186 / 186 |
152 / 162 |
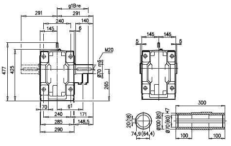
| SK 9052.1AZ |
 |
| SK 9052.1 AZD |
SK 9052.1 AZK |
 |
 |
A45 |
90 S/L |
100 L |
112 M |
132 S/M |
160 M/L |
180 MX/LX |
g |
183 |
201 |
228 |
266 |
320 |
358 |
g1 / g1Bre |
147 / 147 |
169 / 172 |
179 / 182 |
204 / 201 |
242 / 242 |
259 / 259 |
k1 / k1Bre |
763 / 838 |
793 / 884 |
816 / 909 |
902 / 1009 |
979 / 1158 |
1107 / 1212 |
m / mBre |
26 / 30 |
32 / 36 |
48 / 52 |
51 / 44 |
52 / 52 |
93 / 78 |
n / nBre |
114 / 153 |
114 / 153 |
114 / 153 |
122 / 185 |
186 / 186 |
132 / 162 |
p / pBre |
114 / 108 |
114 / 108 |
114 / 108 |
122 / 139 |
186 / 186 |
152 / 162 |
|
| |