
Габаритные и присоединительные размеры NORD мотор-редукторы SK 9016.1, SK 9016.1AX, SK 9016.1AF, SK 9016.1VF, SK 9016.1AFB (AXB), SK 9016.1AZ, SK 9016.1AZEA, SK 9016.1AZB, SK 9016.1AZSH, SK 9016.1 AZD, SK 9016.1 AZK |
| |
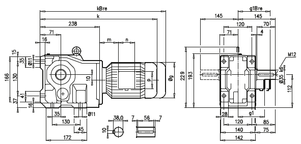
| SK 9016.1 |
SK 9016.1AX |
 |
 |
| SK 9016.1AF |
SK 9016.1VF |
 |
 |
a1 |
b1 |
c1 |
e1 |
f1 |
s1 |
200 |
130 |
12 |
165 |
3,5 |
4 x 11 |
A45 |
63 S/L |
71 S/L |
80 S/L |
90 S/L |
100 L |
112 M |
g |
130 |
145 |
165 |
183 |
201 |
228 |
g1 / g1Bre |
115 / 123 |
124 / 133 |
142 / 142 |
147 / 147 |
169 / 172 |
179 / 182 |
k1 / k1Bre |
445 / 501 |
485 / 543 |
510 / 574 |
551 / 626 |
581 / 672 |
604 / 697 |
k / kBre |
434 / 490 |
474 / 532 |
499 / 563 |
540 / 615 |
570 / 661 |
593 / 686 |
m / mBre |
16 / 23 |
42 / 44 |
47 / 51 |
52 / 56 |
58 / 62 |
74 / 78 |
n / nBre |
100 / 134 |
100 / 134 |
114 / 153 |
114 / 153 |
114 / 153 |
114 / 153 |
p / pBre |
100 / 89 |
100 / 89 |
114 / 108 |
114 / 108 |
114 / 108 |
114 / 108 |
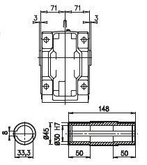
| SK 9016.1AZ |
 |
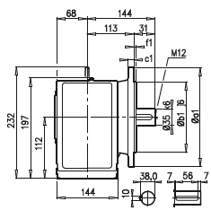
| SK 9016.1 AZD |
SK 9016.1 AZK |
 |
 |
A45 |
63 S/L |
71 S/L |
80 S/L |
90 S/L |
100 L |
112 M |
g |
130 |
145 |
165 |
183 |
201 |
228 |
g1 / g1Bre |
115 / 123 |
124 / 133 |
142 / 142 |
147 / 147 |
169 / 172 |
179 / 182 |
k1 / k1Bre |
445 / 501 |
485 / 543 |
510 / 574 |
551 / 626 |
581 / 672 |
604 / 697 |
m / mBre |
16 / 23 |
42 / 44 |
47 / 51 |
52 / 56 |
58 / 62 |
74 / 78 |
n / Bre |
100 / 134 |
100 / 134 |
114 / 153 |
114 / 153 |
114 / 153 |
114 / 153 |
p / pBre |
100 / 89 |
100 / 89 |
114 / 108 |
114 / 108 |
114 / 108 |
114 / 108 |
|
| |