
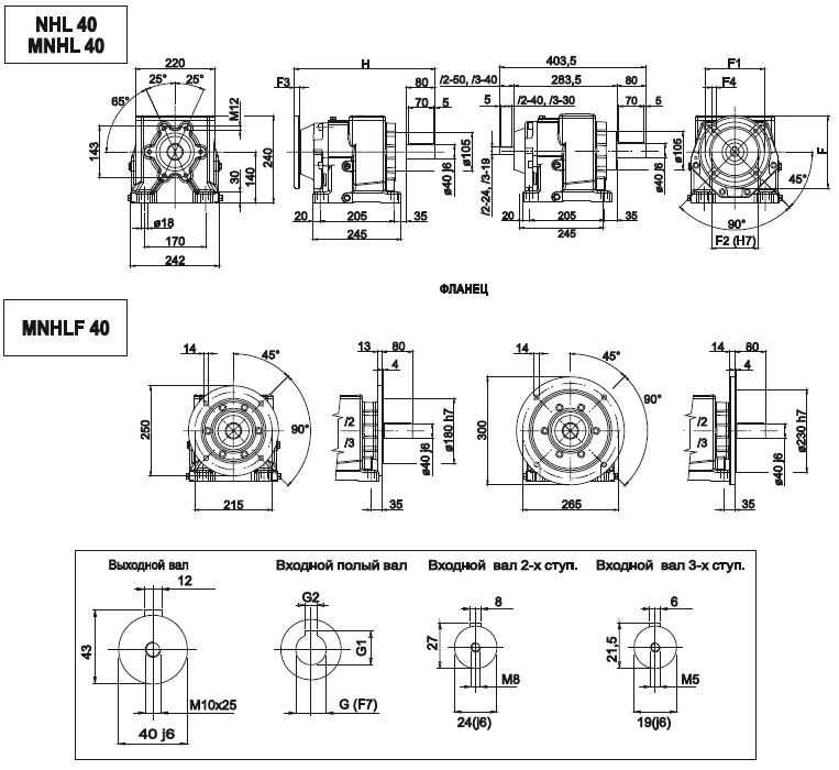
Габаритно-присоединительные размеры MNHL 40 |
| |
|

40/2-40/3 |
G |
G1 |
G2 |
F |
F1 |
F2 |
F3 |
F4 |
Н |
/2... 80 B5/2F...80 В5 |
19 |
21,8 |
6 |
200 |
165 |
130 |
15 |
11,5 |
392 |
12... 90 B5/2F...90 В5 |
24 |
27,3 |
8 |
200 |
165 |
130 |
15 |
11,5 |
395 |
12...100-112 B5/2F...100-112 |
28 |
31,3 |
8 |
250 |
215 |
180 |
15 |
14 |
395 |
12... 132 B5/2F... 132 В5 |
38 |
41,3 |
10 |
300 |
265 |
230 |
15 |
14 |
425 |
/3...63B5/3F...63 В5 |
11 |
12,8 |
4 |
140 |
115 |
95 |
12 |
9 |
379,5 |
/3... 71 B5/3F...71 В5 |
14 |
16,3 |
5 |
160 |
130 |
110 |
10 |
9 |
385,5 |
/3... 80 B5/3F...80 В5 |
19 |
21,8 |
6 |
200 |
165 |
130 |
11 |
11 |
379,5 |
/3... 90 B5/3F...90 BS |
24 |
27,3 |
8 |
200 |
165 |
130 |
11 |
11 |
379,5 |
|
| |