
Габаритно-присоединительные размеры. Конические мотор-редукторы Yilmaz серии KR673 |
| |
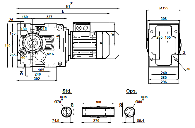
Монтажное исполнение KR673.00

|
100L |
112M |
132S |
132M |
160M |
160L |
180M |
180L |
200L |
225S |
225M |
k |
797 |
821 |
907.5 |
907.5 |
1003.5 |
1003.5 |
1075.5 |
1075.5 |
1121.5 |
1148 |
1173 |
k1 |
905.5 |
925.5 |
1037.5 |
1037.5 |
1151.5 |
1151.5 |
1234 |
1234 |
1308 |
1313 |
1338 |
n |
193 |
215 |
257 |
257 |
316 |
316 |
354 |
354 |
399 |
438 |
438 |
n1 |
147 |
158 |
179 |
179 |
224 |
224 |
240 |
240 |
285 |
314 |
314 |
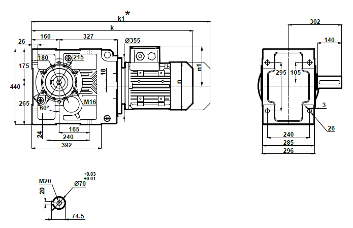
Монтажное исполнение KR673.01

|
100L |
112M |
132S |
132M |
160M |
160L |
180M |
180L |
200L |
225S |
225M |
k |
797 |
821 |
907.5 |
907.5 |
1003.5 |
1003.5 |
1075.5 |
1075.5 |
1121.5 |
1148 |
1173 |
k1 |
905.5 |
925.5 |
1037.5 |
1037.5 |
1151.5 |
1151.5 |
1234 |
1234 |
1308 |
1313 |
1338 |
n |
193 |
215 |
257 |
257 |
316 |
316 |
354 |
354 |
399 |
438 |
438 |
n1 |
147 |
158 |
179 |
179 |
224 |
224 |
240 |
240 |
285 |
314 |
314 |
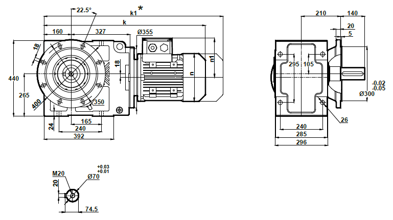
Монтажное исполнение на фланце KR673.02

|
100L |
112M |
132S |
132M |
160M |
160L |
180M |
180L |
200L |
225S |
225M |
k |
797 |
821 |
907.5 |
907.5 |
1003.5 |
1003.5 |
1075.5 |
1075.5 |
1121.5 |
1148 |
1173 |
k1 |
905.5 |
925.5 |
1037.5 |
1037.5 |
1151.5 |
1151.5 |
1234 |
1234 |
1308 |
1313 |
1338 |
n |
193 |
215 |
257 |
257 |
316 |
316 |
354 |
354 |
399 |
438 |
438 |
n1 |
147 |
158 |
179 |
179 |
224 |
224 |
240 |
240 |
285 |
314 |
314 |
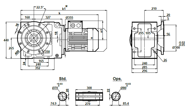
Монтажное исполнение на фланце KR673.03

|
100L |
112M |
132S |
132M |
160M |
160L |
180M |
180L |
200L |
225S |
225M |
k |
797 |
821 |
907.5 |
907.5 |
1003.5 |
1003.5 |
1075.5 |
1075.5 |
1121.5 |
1148 |
1173 |
k1 |
905.5 |
925.5 |
1037.5 |
1037.5 |
1151.5 |
1151.5 |
1234 |
1234 |
1308 |
1313 |
1338 |
n |
193 |
215 |
257 |
257 |
316 |
316 |
354 |
354 |
399 |
438 |
438 |
n1 |
147 |
158 |
179 |
179 |
224 |
224 |
240 |
240 |
285 |
314 |
314 |
|
| |