
Габаритно-присоединительные размеры. Конические мотор-редукторы Yilmaz серии KR283 |
| |
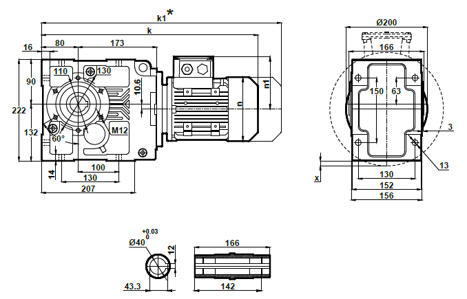
Монтажное исполнение KR283.00

|
71 |
80 |
90S |
90L |
100L |
112M |
132S |
132M |
k |
465 |
499 |
538 |
538 |
586 |
610 |
696.5 |
696.5 |
k1 |
556 |
592 |
641.5 |
641.5 |
694.5 |
714.5 |
826.5 |
826.5 |
n |
137 |
155 |
176 |
176 |
193 |
215 |
257 |
257 |
n1 |
112 |
121 |
133 |
133 |
147 |
158 |
179 |
179 |
x |
- |
- |
- |
- |
- |
- |
7.1 |
7.1 |
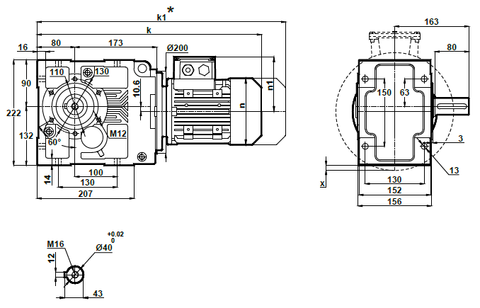
Монтажное исполнение KR283.01

|
71 |
80 |
90S |
90L |
100L |
112M |
132S |
132M |
k |
465 |
499 |
538 |
538 |
586 |
610 |
696.5 |
696.5 |
k1 |
556 |
592 |
641.5 |
641.5 |
694.5 |
714.5 |
826.5 |
826.5 |
n |
137 |
155 |
176 |
176 |
193 |
215 |
257 |
257 |
n1 |
112 |
121 |
133 |
133 |
147 |
158 |
179 |
179 |
x |
- |
- |
- |
- |
- |
- |
7.1 |
7.1 |
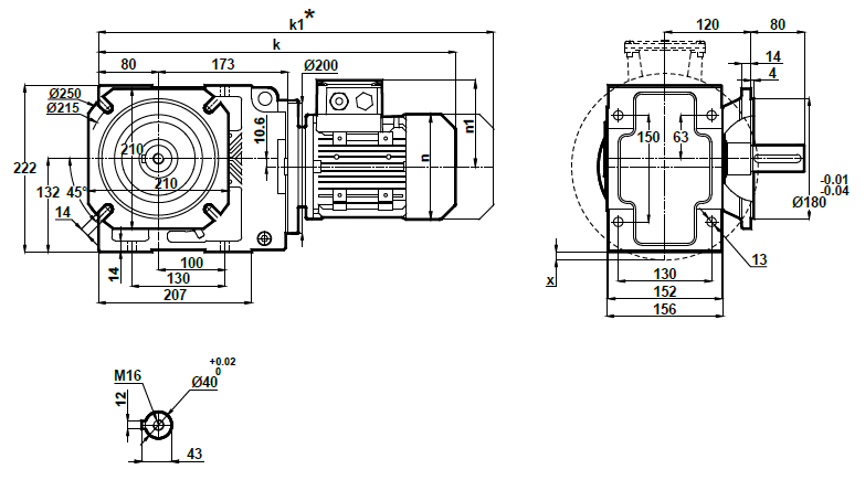
Монтажное исполнение на фланце KR283.02

|
71 |
80 |
90S |
90L |
100L |
112M |
132S |
132M |
k |
465 |
499 |
538 |
538 |
586 |
610 |
696.5 |
696.5 |
k1 |
556 |
592 |
641.5 |
641.5 |
694.5 |
714.5 |
826.5 |
826.5 |
n |
137 |
155 |
176 |
176 |
193 |
215 |
257 |
257 |
n1 |
112 |
121 |
133 |
133 |
147 |
158 |
179 |
179 |
x |
- |
- |
- |
- |
- |
- |
7.1 |
7.1 |
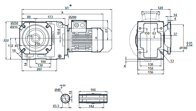
Монтажное исполнение на фланце KR283.03

|
71 |
80 |
90S |
90L |
100L |
112M |
132S |
132M |
k |
465 |
499 |
538 |
538 |
586 |
610 |
696.5 |
696.5 |
k1 |
556 |
592 |
641.5 |
641.5 |
694.5 |
714.5 |
826.5 |
826.5 |
n |
137 |
155 |
176 |
176 |
193 |
215 |
257 |
257 |
n1 |
112 |
121 |
133 |
133 |
147 |
158 |
179 |
179 |
x |
- |
- |
- |
- |
- |
- |
7.1 |
7.1 |
|
| |