|
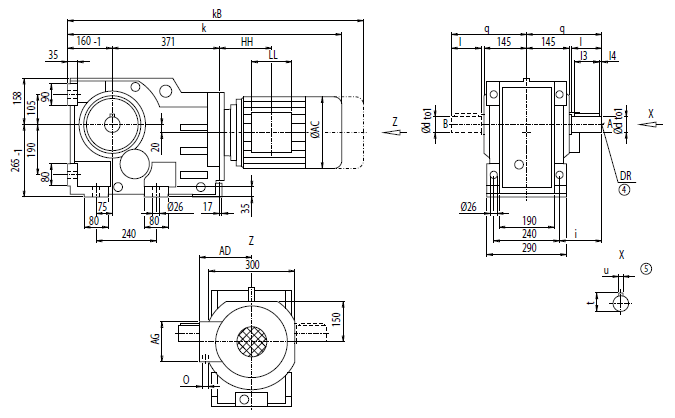
Монтажное исполнение фланец (тип-С)

| d |
to1 |
l |
l3 |
l4 |
t |
u |
i |
q |
DR |
70 *) |
m6 |
140 |
125 |
7.5 |
74.5 |
20 |
170 |
290 |
M20x42 |
90 |
m6 |
170 |
140 |
15.0 |
95.0 |
25 |
200 |
320 |
M24x50 |
| Мотор |
K128
k |
kB |
AC |
AD |
AG |
LL |
HH |
O |
Вес
K128 |
LA90S/L |
819.5 |
890.5 |
174.0 |
163.0 |
90 |
90 |
76.0 |
M20x1.5/M25x1.5 |
210 |
LA90ZL |
864.5 |
935.5 |
174.0 |
163.0 |
90 |
90 |
200.0 |
M20x1.5/M25x1.5 |
216 |
LA100L |
862.5 |
943.5 |
195.0 |
168.0 |
120 |
120 |
113.5 |
2xM32x1.5 |
218 |
LA100ZL |
932.5 |
1 013.5 |
195.0 |
168.0 |
120 |
120 |
245.5 |
2xM32x1.5 |
228 |
LA112M |
889.0 |
970.0 |
219.0 |
181.0 |
120 |
120 |
116.0 |
2xM32x1.5 |
230 |
LA112ZM |
917.0 |
998.0 |
219.0 |
181.0 |
120 |
120 |
220.0 |
2xM32x1.5 |
237 |
LA132S/M |
948.0 |
1 050.0 |
259.0 |
195.0 |
140 |
140 |
155.5 |
2xM32x1.5 |
240 |
LA132ZM |
994.0 |
1 096.0 |
259.0 |
195.0 |
140 |
140 |
263.5 |
2xM32x1.5 |
261 |
LA160M/L |
1 053.5 |
1 172.0 |
313.5 |
227.0 |
165 |
165 |
184.0 |
2xM40x1.5 |
275 |
LA160ZL |
1 101.5 |
1 220.0 |
313.5 |
227.0 |
165 |
165 |
337.0 |
2xM40x1.5 |
314 |
LG180M/L |
1 110.0 |
1 232.0 |
348.0 |
322.5 |
260 |
192 |
198.0 |
2xM40x1.5 |
371 |
LG180ZM/ZL |
1 161.0 |
1 283.0 |
348.0 |
322.5 |
260 |
192 |
198.0 |
2xM40x1.5 |
401 |
LG200L |
1 166.0 |
1 292.0 |
385.0 |
301.0 |
260 |
192 |
228.0 |
2xM50x1.5 |
451 |
K4-LGI225S |
1 426.5 |
1 665.5 |
442.0 |
325.0 |
260 |
192 |
443.0 |
2xM50x1.5 |
607 |
K4-LGI225M |
1 426.5 |
1 665.5 |
442.0 |
325.0 |
260 |
192 |
443.0 |
2xM50x1.5 |
595 |
K4-LGI225ZM |
1 486.5 |
1 725.5 |
442.0 |
325.0 |
260 |
192 |
443.0 |
2xM50x1.5 |
653 |
Монтажное исполнение на фланце (тип A)

| Мотор |
KF128
k |
kB |
AC |
AD |
AG |
LL |
HH |
O |
Вес
KF128 |
LA90S/L |
816.0 |
887.0 |
174.0 |
163.0 |
90 |
90 |
76.0 |
M20x1.5/M25x1.5 |
235 |
LA90ZL |
861.0 |
932.0 |
174.0 |
163.0 |
90 |
90 |
200.0 |
M20x1.5/M25x1.5 |
241 |
LA100L |
859.0 |
940.0 |
195.0 |
168.0 |
120 |
120 |
113.5 |
2xM32x1.5 |
243 |
LA100ZL |
929.0 |
1 010.0 |
195.0 |
168.0 |
120 |
120 |
245.5 |
2xM32x1.5 |
253 |
LA112M |
885.5 |
966.5 |
219.0 |
181.0 |
120 |
120 |
116.0 |
2xM32x1.5 |
255 |
LA112ZM |
913.5 |
994.5 |
219.0 |
181.0 |
120 |
120 |
220.0 |
2xM32x1.5 |
262 |
LA132S/M |
944.5 |
1 046.5 |
259.0 |
195.0 |
140 |
140 |
155.5 |
2xM32x1.5 |
265 |
LA132ZM |
990.5 |
1 092.5 |
259.0 |
195.0 |
140 |
140 |
263.5 |
2xM32x1.5 |
287 |
LA160M/L |
1 050.0 |
1 168.5 |
313.5 |
227.0 |
165 |
165 |
184.0 |
2xM40x1.5 |
300 |
LA160ZL |
1 098.0 |
1 216.5 |
313.5 |
227.0 |
165 |
165 |
337.0 |
2xM40x1.5 |
339 |
LG180M/L |
1 106.5 |
1 228.5 |
348.0 |
322.5 |
260 |
192 |
198.0 |
2xM40x1.5 |
397 |
LG180ZM/ZL |
1 157.5 |
1 279.5 |
348.0 |
322.5 |
260 |
192 |
198.0 |
2xM40x1.5 |
427 |
LG200L |
1 162.5 |
1 288.5 |
385.0 |
301.0 |
260 |
192 |
228.0 |
2xM50x1.5 |
477 |
K4-LGI225S |
1 423.0 |
1 662.0 |
442.0 |
325.0 |
260 |
192 |
443.0 |
2xM50x1.5 |
633 |
K4-LGI225M |
1 423.0 |
1 662.0 |
442.0 |
325.0 |
260 |
192 |
443.0 |
2xM50x1.5 |
621 |
K4-LGI225ZM |
1 483.0 |
1 722.0 |
442.0 |
325.0 |
260 |
192 |
443.0 |
2xM50x1.5 |
679 |
Монтажное исполнение корпус-фланец (тип C)

| d |
l9 |
M |
t |
u |
70 *) |
63.5 |
M20 |
74.9 |
20 |
80 |
63.5 |
M20 |
85.4 |
22 |
| Мотор |
KA128
k |
kB |
AC |
AD |
AG |
LL |
HH |
O |
Вес
KA128 |
LA90S/L |
819.5 |
890.5 |
174.0 |
163.0 |
90 |
90 |
76.0 |
M20x1.5/M25x1.5 |
190 |
LA90ZL |
864.5 |
935.5 |
174.0 |
163.0 |
90 |
90 |
200.0 |
M20x1.5/M25x1.5 |
196 |
LA100L |
862.5 |
943.5 |
195.0 |
168.0 |
120 |
120 |
113.5 |
2xM32x1.5 |
198 |
LA100ZL |
932.5 |
1 013.5 |
195.0 |
168.0 |
120 |
120 |
245.5 |
2xM32x1.5 |
208 |
LA112M |
889.0 |
970.0 |
219.0 |
181.0 |
120 |
120 |
116.0 |
2xM32x1.5 |
210 |
LA112ZM |
917.0 |
998.0 |
219.0 |
181.0 |
120 |
120 |
220.0 |
2xM32x1.5 |
217 |
LA132S/M |
948.0 |
1 050.0 |
259.0 |
195.0 |
140 |
140 |
155.5 |
2xM32x1.5 |
220 |
LA132ZM |
994.0 |
1 096.0 |
259.0 |
195.0 |
140 |
140 |
263.5 |
2xM32x1.5 |
242 |
LA160M/L |
1 053.5 |
1 172.0 |
313.5 |
227.0 |
165 |
165 |
184.0 |
2xM40x1.5 |
255 |
LA160ZL |
1 101.5 |
1 220.0 |
313.5 |
227.0 |
165 |
165 |
337.0 |
2xM40x1.5 |
294 |
LG180M/L |
1 110.0 |
1 232.0 |
348.0 |
322.5 |
260 |
192 |
198.0 |
2xM40x1.5 |
352 |
LG180ZM/ZL |
1 161.0 |
1 283.0 |
348.0 |
322.5 |
260 |
192 |
198.0 |
2xM40x1.5 |
382 |
LG200L |
1 166.0 |
1 292.0 |
385.0 |
301.0 |
260 |
192 |
228.0 |
2xM50x1.5 |
432 |
K4-LGI225S |
1 426.5 |
1 665.5 |
442.0 |
325.0 |
260 |
192 |
443.0 |
2xM50x1.5 |
588 |
K4-LGI225M |
1 426.5 |
1 665.5 |
442.0 |
325.0 |
260 |
192 |
443.0 |
2xM50x1.5 |
576 |
K4-LGI225ZM |
1 486.5 |
1 725.5 |
442.0 |
325.0 |
260 |
192 |
443.0 |
2xM50x1.5 |
634 |
|