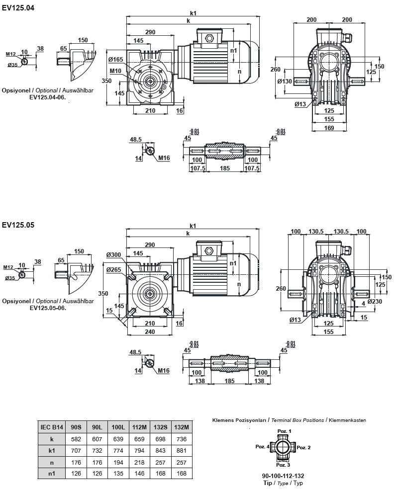
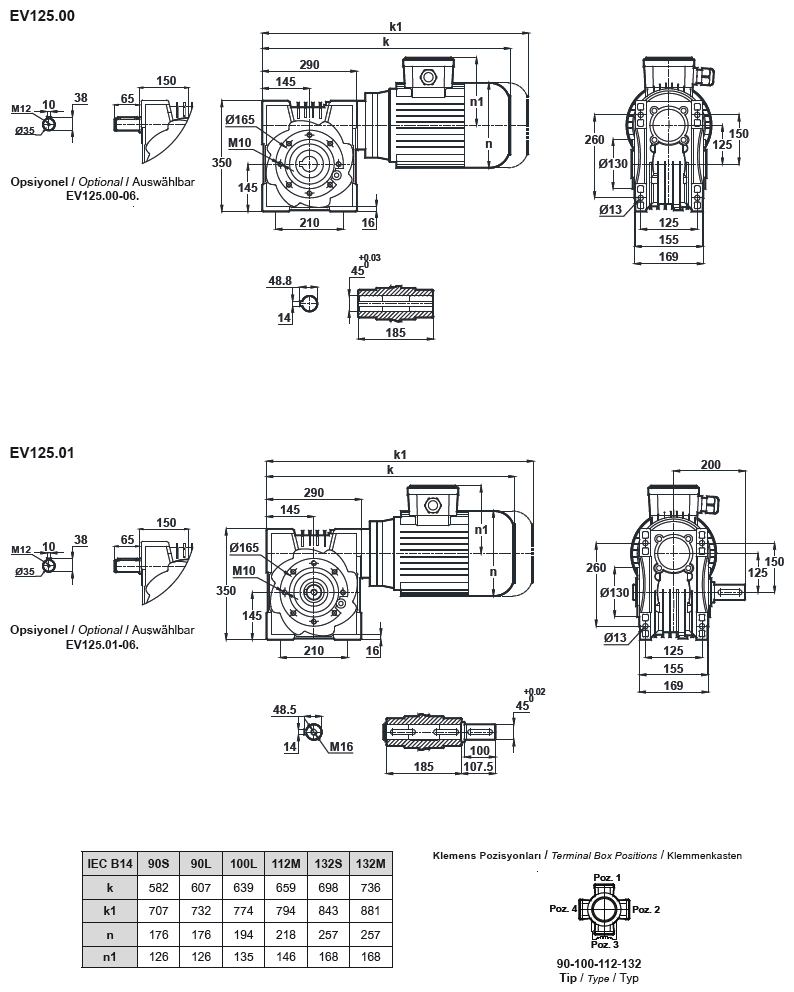
Червячный мотор-редуктор EV125 (EN125)

 

Назад

Червячный мотор-редуктор EV125 (EN125)

В промышленных станках очень часто применяются червячные мотор-редукторы марки NMRV 130. Подробное описание и техническую информацию вы можете найти на нашем сайте.

Назад

 
© 2014 Редукторы, мотор-редукторы, устройства плавного пуска, преобразователи частоты