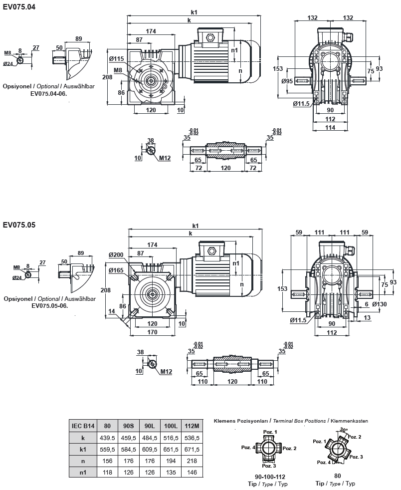
Червячный мотор-редуктор EV075 (EN075)

 

Назад

Червячный мотор-редуктор EV075 (EN075)

Качественные мотор-редукторы червячного типа NMRV 075 по низким ценам. Применяются в промышленном оборудовании различного типа

Назад

 
© 2014 Редукторы, мотор-редукторы, устройства плавного пуска, преобразователи частоты