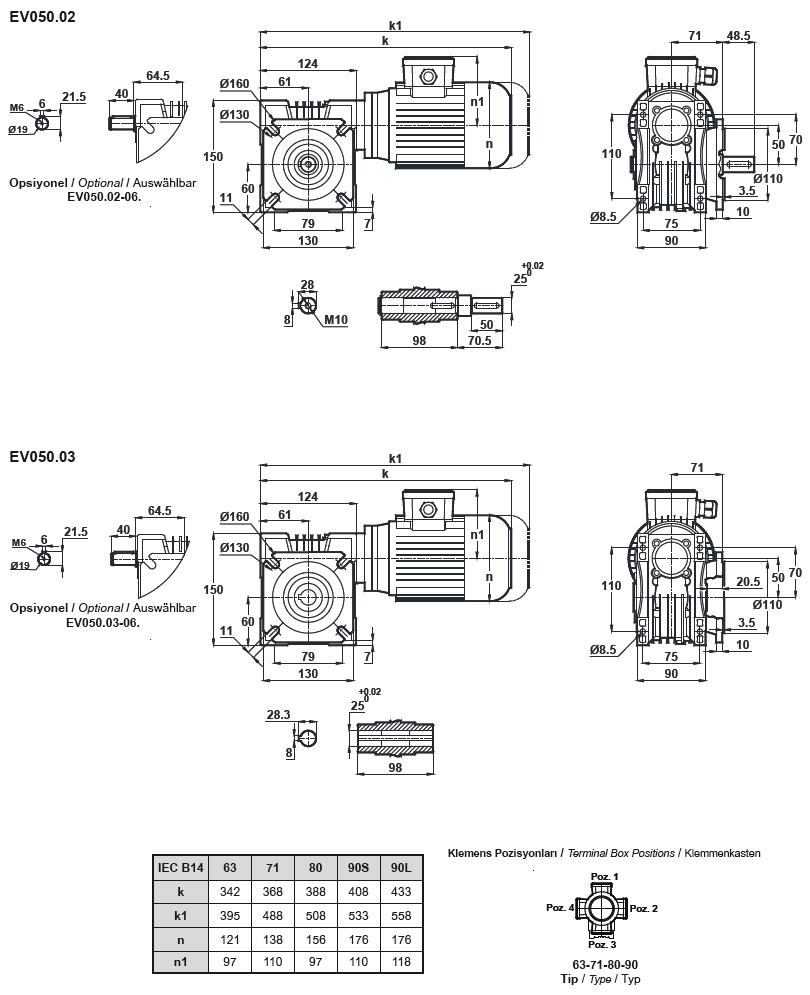
Червячный мотор-редуктор EV050 (EN050)

 

Назад

Червячный мотор-редуктор EV050 (EN050)

Рекомендуем обратить внимание на мотор-редукторы марки NMRV 050 червячного типа. Агрегаты обладают высоким качеством и низкой ценой

Назад

 
© 2014 Редукторы, мотор-редукторы, устройства плавного пуска, преобразователи частоты