|
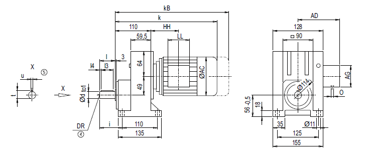
Монтажное исполнение на лапах E38

d |
to1 |
l |
l4 |
l3 |
t |
u |
i |
DR |
20 *) |
k6 |
40 |
5 |
30 |
22.5 |
6 |
56 |
M6x16 |
25 |
k6 |
50 |
7 |
40 |
28.0 |
8 |
66 |
M10x22 |
Для решения промышленных задач рекомендуем обратить внимание на волновые мотор-редукторы. Эти агрегаты уже много лет успешно применяются в производстве и в сельском хозяйстве.
| Мотор |
E38
k |
kB |
AC |
AD |
AG |
LL |
HH |
O |
E38 |
LA71 |
368.5 |
423.5 |
139.0 |
146 |
90 |
90 |
114.5 |
M20x1.5/M25x1.5 |
12 |
LA71Z |
387.5 |
442.5 |
139.0 |
146 |
90 |
90 |
114.5 |
M20x1.5/M25x1.5 |
12 |
LA80 |
405.5 |
469.0 |
156.5 |
155 |
90 |
90 |
114.0 |
M20x1.5/M25x1.5 |
16 |
LA80Z |
428.0 |
491.5 |
156.5 |
155 |
90 |
90 |
187.0 |
M20x1.5/M25x1.5 |
20 |
LA90S/L |
436.5 |
507.5 |
174.0 |
163 |
90 |
90 |
114.0 |
M20x1.5/M25x1.5 |
21 |
LA90ZL |
481.5 |
552.5 |
174.0 |
163 |
90 |
90 |
238.0 |
M20x1.5/M25x1.5 |
27 |
LA100L |
482.5 |
563.5 |
195.0 |
168 |
120 |
120 |
154.5 |
2xM32x1.5 |
30 |
LA100ZL |
552.5 |
633.5 |
195.0 |
168 |
120 |
120 |
286.5 |
2xM32x1.5 |
40 |
LA112M |
512.5 |
593.5 |
219.0 |
181 |
120 |
120 |
160.5 |
2xM32x1.5 |
41 |
LA112ZM |
540.5 |
621.5 |
219.0 |
181 |
120 |
120 |
264.5 |
2xM32x1.5 |
48 |
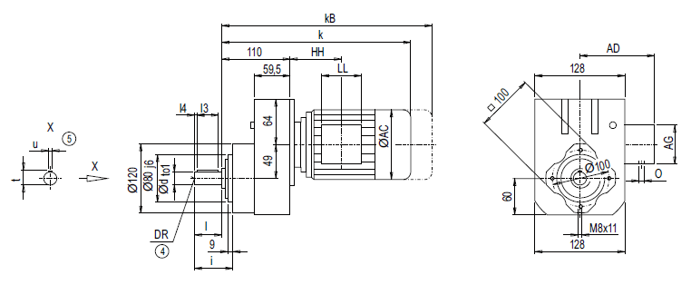
Монтажное исполнение на фланце EF38

| Тип фланца |
a1 |
b1 |
to2 |
c1 |
e1 |
f1 |
s1 |
d |
to1 |
l |
l4 |
l3 |
t |
u |
i2 |
DR |
A120 |
120 |
80 |
j6 |
8 |
100 |
3.0 |
6.8 |
20 *) |
k6 |
40 |
5 |
30 |
22.5 |
6 |
40 |
M6x16 |
25 |
k6 |
50 |
7 |
40 |
28.0 |
8 |
50 |
M10x22 |
A140 |
140 |
95 |
j6 |
10 |
115 |
3.0 |
9.0 |
20 *) |
k6 |
40 |
5 |
30 |
22.5 |
6 |
40 |
M6x16 |
25 |
k6 |
50 |
7 |
40 |
28.0 |
8 |
50 |
M10x22 |
A160 |
160 |
110 |
j6 |
10 |
130 |
3.5 |
9.0 |
20 *) |
k6 |
40 |
5 |
30 |
22.5 |
6 |
40 |
M6x16 |
25 |
k6 |
50 |
7 |
40 |
28.0 |
8 |
50 |
M10x22 |
A200 |
200 |
130 |
j6 |
12 |
165 |
3.5 |
11.0 |
20 *) |
k6 |
40 |
5 |
30 |
22.5 |
6 |
40 |
M6x16 |
25 |
k6 |
50 |
7 |
40 |
28.0 |
8 |
50 |
M10x22 |
A250 |
250 |
180 |
j6 |
15 |
215 |
4.0 |
13.5 |
20 *) |
k6 |
40 |
5 |
30 |
22.5 |
6 |
40 |
M6x16 |
25 |
k6 |
50 |
7 |
40 |
28.0 |
8 |
50 |
M10x22 |
| Мотор |
EF38
k |
kB |
AC |
AD |
AG |
LL |
HH |
O |
Вес
EF38 |
LA71 |
368.5 |
423.5 |
139.0 |
146 |
90 |
90 |
114.5 |
M20x1.5/M25x1.5 |
14 |
LA71Z |
387.5 |
442.5 |
139.0 |
146 |
90 |
90 |
114.5 |
M20x1.5/M25x1.5 |
14 |
LA80 |
405.5 |
469.0 |
156.5 |
155 |
90 |
90 |
114.0 |
M20x1.5/M25x1.5 |
19 |
LA80Z |
428.0 |
491.5 |
156.5 |
155 |
90 |
90 |
187.0 |
M20x1.5/M25x1.5 |
23 |
LA90S/L |
436.5 |
507.5 |
174.0 |
163 |
90 |
90 |
114.0 |
M20x1.5/M25x1.5 |
24 |
LA90ZL |
481.5 |
552.5 |
174.0 |
163 |
90 |
90 |
238.0 |
M20x1.5/M25x1.5 |
30 |
LA100L |
482.5 |
563.5 |
195.0 |
168 |
120 |
120 |
154.5 |
2xM32x1.5 |
33 |
LA100ZL |
552.5 |
633.5 |
195.0 |
168 |
120 |
120 |
286.5 |
2xM32x1.5 |
43 |
LA112M |
512.5 |
593.5 |
219.0 |
181 |
120 |
120 |
160.5 |
2xM32x1.5 |
43 |
LA112ZM |
540.5 |
621.5 |
219.0 |
181 |
120 |
120 |
264.5 |
2xM32x1.5 |
50 |
Монтажное исполнение с фланцевым корпусом (тип C) EZ38

| d |
to1 |
l |
l4 |
l3 |
t |
u |
i |
DR |
20 *) |
k6 |
40 |
5 |
30 |
22.5 |
6 |
53 |
M6x16 |
25 |
k6 |
50 |
7 |
40 |
28.0 |
8 |
63 |
M10x22 |
| Мотор |
EZ38
k |
kB |
AC |
AD |
AG |
LL |
HH |
O |
Вес
EZ38 |
LA71 |
368.5 |
423.5 |
139.0 |
146 |
90 |
90 |
114.5 |
M20x1.5/M25x1.5 |
11 |
LA71Z |
387.5 |
442.5 |
139.0 |
146 |
90 |
90 |
114.5 |
M20x1.5/M25x1.5 |
11 |
LA80 |
405.5 |
469.0 |
156.5 |
155 |
90 |
90 |
114.0 |
M20x1.5/M25x1.5 |
16 |
LA80Z |
428.0 |
491.5 |
156.5 |
155 |
90 |
90 |
187.0 |
M20x1.5/M25x1.5 |
20 |
LA90S/L |
436.5 |
507.5 |
174.0 |
163 |
90 |
90 |
114.0 |
M20x1.5/M25x1.5 |
20 |
LA90ZL |
481.5 |
552.5 |
174.0 |
163 |
90 |
90 |
238.0 |
M20x1.5/M25x1.5 |
26 |
LA100L |
482.5 |
563.5 |
195.0 |
168 |
120 |
120 |
154.5 |
2xM32x1.5 |
29 |
LA100ZL |
552.5 |
633.5 |
195.0 |
168 |
120 |
120 |
286.5 |
2xM32x1.5 |
39 |
LA112M |
512.5 |
593.5 |
219.0 |
181 |
120 |
120 |
160.5 |
2xM32x1.5 |
40 |
LA112ZM |
540.5 |
621.5 |
219.0 |
181 |
120 |
120 |
264.5 |
2xM32x1.5 |
47 |
|