|
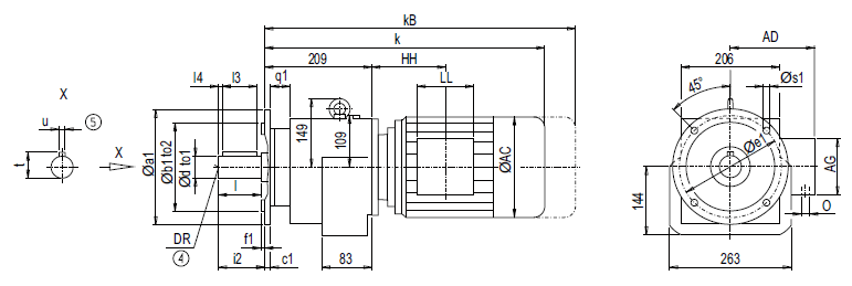
Монтажное исполнение на лапах D68, Z68

| d |
to1 |
l |
l4 |
l3 |
t |
u |
i |
DR |
35 |
k6 |
70 |
5 |
56 |
38.0 |
10 |
105 |
M12x28 |
40 *) |
k6 |
80 |
5 |
70 |
43.0 |
12 |
115 |
M16x36 |
50 |
k6 |
100 |
10 |
80 |
53.5 |
14 |
135 |
M16x36 |
| Мотор |
Z68
k |
kB |
D68
k |
kB |
AC |
AD |
AG |
LL |
Z68
HH |
D68
HH |
O |
Вес
Z68 |
D68 |
LA71 |
456.0 |
511.0 |
474.5 |
529.5 |
139.0 |
146 |
90 |
90 |
103.0 |
121.5 |
M20x1.5/M25x1.5 |
43 |
45 |
LA71Z |
475.0 |
530.0 |
493.5 |
548.5 |
139.0 |
146 |
90 |
90 |
103.0 |
121.5 |
M20x1.5/M25x1.5 |
43 |
45 |
LA80 |
493.0 |
556.5 |
511.5 |
575.0 |
156.5 |
155 |
90 |
90 |
102.5 |
121.0 |
M20x1.5/M25x1.5 |
48 |
50 |
LA80Z |
515.5 |
579.0 |
534.0 |
597.5 |
156.5 |
155 |
90 |
90 |
175.5 |
194.0 |
M20x1.5/M25x1.5 |
52 |
54 |
LA90S/L |
524.0 |
595.0 |
542.5 |
613.5 |
174.0 |
163 |
90 |
90 |
102.5 |
121.0 |
M20x1.5/M25x1.5 |
52 |
55 |
LA90ZL |
569.0 |
640.0 |
587.5 |
658.5 |
174.0 |
163 |
90 |
90 |
226.5 |
245.0 |
M20x1.5/M25x1.5 |
58 |
61 |
LA100L |
570.0 |
651.0 |
588.5 |
669.5 |
195.0 |
168 |
120 |
120 |
143.0 |
161.5 |
2xM32x1.5 |
61 |
64 |
LA100ZL |
640.0 |
721.0 |
658.5 |
739.5 |
195.0 |
168 |
120 |
120 |
275.0 |
293.5 |
2xM32x1.5 |
71 |
74 |
LA112M |
597.0 |
678.0 |
– |
– |
219.0 |
181 |
120 |
120 |
146.0 |
– |
2xM32x1.5 |
73 |
– |
LA112ZM |
625.0 |
706.0 |
– |
– |
219.0 |
181 |
120 |
120 |
250.0 |
– |
2xM32x1.5 |
80 |
– |
LA132S/M |
657.0 |
759.0 |
– |
– |
259.0 |
195 |
140 |
140 |
186.5 |
– |
2xM32x1.5 |
86 |
– |
LA132ZM |
703.0 |
805.0 |
– |
– |
259.0 |
195 |
140 |
140 |
294.5 |
– |
2xM32x1.5 |
107 |
– |
LA160M/L |
759.5 |
878.0 |
– |
– |
313.5 |
227 |
165 |
165 |
212.0 |
– |
2xM40x1.5 |
119 |
– |
LA160ZL |
807.5 |
926.0 |
– |
– |
313.5 |
227 |
165 |
165 |
365.0 |
– |
2xM40x1.5 |
158 |
– |
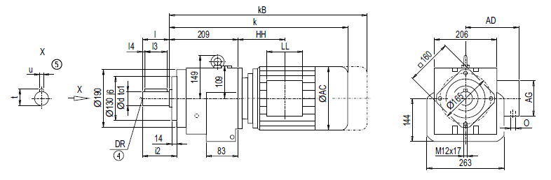
Монтажное исполнение на фланце DF/ZF68 (тип A)

| Фланец |
a1 |
b1 |
to2 |
c1 |
e1 |
f1 |
q1 |
s1 |
d |
to1 |
l |
l4 |
l3 |
t |
u |
i2 |
DR |
A250 |
250 |
180 |
j6 |
15 |
215 |
4 |
40 |
13.5 |
35 |
k6 |
70 |
5 |
56 |
38.0 |
10 |
70 |
M12x28 |
40 *) |
k6 |
80 |
5 |
70 |
43.0 |
12 |
80 |
M16x36 |
50 |
k6 |
100 |
10 |
80 |
53.5 |
14 |
100 |
M16x36 |
A300 |
300 |
230 |
j6 |
16 |
265 |
4 |
39 |
13.5 |
35 |
k6 |
70 |
5 |
56 |
38.0 |
10 |
70 |
M12x28 |
40 *) |
k6 |
80 |
5 |
70 |
43.0 |
12 |
80 |
M16x36 |
50 |
k6 |
100 |
10 |
80 |
53.5 |
14 |
100 |
M16x36 |
A350 |
350 |
250 |
j6 |
18 |
300 |
4 |
39 |
17.5 |
35 |
k6 |
70 |
5 |
56 |
38.0 |
10 |
70 |
M12x28 |
40 *) |
k6 |
80 |
5 |
70 |
43.0 |
12 |
80 |
M16x36 |
50 |
k6 |
100 |
10 |
80 |
53.5 |
14 |
100 |
M16x36 |
| Мотор |
ZF68
k |
kB |
DF68
k |
kB |
AC |
AD |
AG |
LL |
ZF68
HH |
DF68
HH |
O |
Вес
ZF68 |
DF68 |
LA71 |
456.0 |
511.0 |
474.5 |
529.5 |
139.0 |
146 |
90 |
90 |
103.0 |
121.5 |
M20x1.5/M25x1.5 |
45 |
47 |
LA71Z |
475.0 |
530.0 |
493.5 |
548.5 |
139.0 |
146 |
90 |
90 |
103.0 |
121.5 |
M20x1.5/M25x1.5 |
45 |
47 |
LA80 |
493.0 |
556.5 |
511.5 |
575.0 |
156.5 |
155 |
90 |
90 |
102.5 |
121.0 |
M20x1.5/M25x1.5 |
49 |
52 |
LA80Z |
515.5 |
579.0 |
534.0 |
597.5 |
156.5 |
155 |
90 |
90 |
175.5 |
194.0 |
M20x1.5/M25x1.5 |
53 |
56 |
LA90S/L |
524.0 |
595.0 |
542.5 |
613.5 |
174.0 |
163 |
90 |
90 |
102.5 |
121.0 |
M20x1.5/M25x1.5 |
54 |
56 |
LA90ZL |
569.0 |
640.0 |
587.5 |
658.5 |
174.0 |
163 |
90 |
90 |
226.5 |
245.0 |
M20x1.5/M25x1.5 |
60 |
62 |
LA100L |
570.0 |
651.0 |
588.5 |
669.5 |
195.0 |
168 |
120 |
120 |
143.0 |
161.5 |
2xM32x1.5 |
63 |
65 |
LA100ZL |
640.0 |
721.0 |
658.5 |
739.5 |
195.0 |
168 |
120 |
120 |
275.0 |
293.5 |
2xM32x1.5 |
73 |
75 |
LA112M |
597.0 |
678.0 |
– |
– |
219.0 |
181 |
120 |
120 |
146.0 |
– |
2xM32x1.5 |
75 |
– |
LA112ZM |
625.0 |
706.0 |
– |
– |
219.0 |
181 |
120 |
120 |
250.0 |
– |
2xM32x1.5 |
82 |
– |
LA132S/M |
657.0 |
759.0 |
– |
– |
259.0 |
195 |
140 |
140 |
186.5 |
– |
2xM32x1.5 |
88 |
– |
LA132ZM |
703.0 |
805.0 |
– |
– |
259.0 |
195 |
140 |
140 |
294.5 |
– |
2xM32x1.5 |
109 |
– |
LA160M/L |
759.5 |
878.0 |
– |
– |
313.5 |
227 |
165 |
165 |
212.0 |
– |
2xM40x1.5 |
121 |
– |
LA160ZL |
807.5 |
926.0 |
– |
– |
313.5 |
227 |
165 |
165 |
365.0 |
– |
2xM40x1.5 |
160 |
– |
Монтажное исполнение на фланце DZ/ZZ68 (тип С)

| d |
to1 |
l |
l4 |
l3 |
t |
u |
i2 |
DR |
35 |
k6 |
70 |
5 |
56 |
38.0 |
10 |
88 |
M12x28 |
40 *) |
k6 |
80 |
5 |
70 |
43.0 |
12 |
98 |
M16x36 |
50 |
k6 |
100 |
10 |
80 |
53.5 |
14 |
118 |
M16x36 |
| Мотор |
ZZ68
k |
kB |
DZ68
k |
kB |
AC |
AD |
AG |
LL |
ZZ68
HH |
DZ68
HH |
O |
Вес
ZZ68 |
DZ68 |
LA71 |
456.0 |
511.0 |
474.5 |
529.5 |
139.0 |
146 |
90 |
90 |
103.0 |
121.5 |
M20x1.5/M25x1.5 |
39 |
41 |
LA71Z |
475.0 |
530.0 |
493.5 |
548.5 |
139.0 |
146 |
90 |
90 |
103.0 |
121.5 |
M20x1.5/M25x1.5 |
39 |
41 |
LA80 |
493.0 |
556.5 |
511.5 |
575.0 |
156.5 |
155 |
90 |
90 |
102.5 |
121.0 |
M20x1.5/M25x1.5 |
44 |
46 |
LA80Z |
515.5 |
579.0 |
534.0 |
597.5 |
156.5 |
155 |
90 |
90 |
175.5 |
194.0 |
M20x1.5/M25x1.5 |
48 |
50 |
LA90S/L |
524.0 |
595.0 |
542.5 |
613.5 |
174.0 |
163 |
90 |
90 |
102.5 |
121.0 |
M20x1.5/M25x1.5 |
49 |
51 |
LA90ZL |
569.0 |
640.0 |
587.5 |
658.5 |
174.0 |
163 |
90 |
90 |
226.5 |
245.0 |
M20x1.5/M25x1.5 |
55 |
57 |
LA100L |
570.0 |
651.0 |
588.5 |
669.5 |
195.0 |
168 |
120 |
120 |
143.0 |
161.5 |
2xM32x1.5 |
58 |
60 |
LA100ZL |
640.0 |
721.0 |
658.5 |
739.5 |
195.0 |
168 |
120 |
120 |
275.0 |
293.5 |
2xM32x1.5 |
68 |
70 |
LA112M |
597.0 |
678.0 |
– |
– |
219.0 |
181 |
120 |
120 |
146.0 |
– |
2xM32x1.5 |
69 |
– |
LA112ZM |
625.0 |
706.0 |
– |
– |
219.0 |
181 |
120 |
120 |
250.0 |
– |
2xM32x1.5 |
76 |
– |
LA132S/M |
657.0 |
759.0 |
– |
– |
259.0 |
195 |
140 |
140 |
186.5 |
– |
2xM32x1.5 |
82 |
– |
LA132ZM |
703.0 |
805.0 |
– |
– |
259.0 |
195 |
140 |
140 |
294.5 |
– |
2xM32x1.5 |
104 |
– |
LA160M/L |
759.5 |
878.0 |
– |
– |
313.5 |
227 |
165 |
165 |
212.0 |
– |
2xM40x1.5 |
115 |
– |
LA160ZL |
807.5 |
926.0 |
– |
– |
313.5 |
227 |
165 |
165 |
365.0 |
– |
2xM40x1.5 |
154 |
– |
|