|
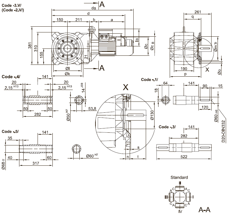
Фланец со сквозными отверстиями

ВК50(Z) |
k |
l |
m |
n |
о |
p |
q |
s |
t |
стандартный-3.V/ |
300 |
265 |
230 |
20 |
13.5 |
298.5 |
164 |
4 |
97 |
малый-2.V/ |
250 |
215 |
180 |
16 |
13.5 |
296 |
161 |
4 |
100 |
Тип |
a |
b |
c |
d |
l
|
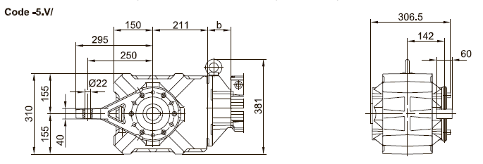
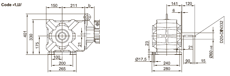
Исполнение с тормозом |
lв |
Е003 |
Е004 |
Е008 |
Z008 |
Z015 |
Е075 |
Z075 |
Z100 |
Св |
dв |
Св |
dв |
Св |
dв |
Св |
dв |
Св |
dв |
Св |
dв |
Св |
dв |
Св |
dв |
BK50Z-../D05.. |
170 |
155 |
123 |
687 |
100 |
100 |
123 |
729 |
|
|
|
|
|
|
|
|
|
|
|
|
|
|
BK50Z-../D06.. |
170 |
155 |
123 |
687 |
100 |
100 |
123 |
729 |
|
|
|
|
|
|
|
|
|
|
|
|
|
|
BK50Z-../D07.. |
190 |
155 |
123 |
707 |
100 |
100 |
123 |
749 |
123 |
749 |
|
|
|
|
|
|
|
|
|
|
|
|
BK50-../D08.. |
200 |
73 |
156 |
634 |
115 |
115 |
|
|
|
|
166 |
709 |
|
|
|
|
|
|
|
|
|
|
BK50Z-../D08.. |
200 |
159 |
156 |
720 |
115 |
115 |
|
|
|
|
166 |
795 |
|
|
|
|
|
|
|
|
|
|
BK50-../D09.. |
251 |
87.5 |
181 |
699 |
124 |
124 |
|
|
|
|
192 |
779 |
192 |
793 |
192 |
799 |
|
|
|
|
|
|
BK50Z-../D09.. |
251 |
173.5 |
181 |
785 |
124 |
124 |
|
|
|
|
192 |
865 |
192 |
879 |
192 |
885 |
|
|
|
|
|
|
BK50-../D11.. |
319 |
94 |
228 |
774 |
181 |
181 |
|
|
|
|
|
|
|
|
231 |
877 |
231 |
907 |
|
|
|
|
BK50-../D13.. |
393 |
107 |
266 |
861 |
217 |
217 |
|
|
|
|
|
|
|
|
|
|
277 |
996 |
277 |
1015 |
|
|
BK50-../D16.. |
429 |
121 |
322 |
911 |
243 |
243 |
|
|
|
|
|
|
|
|
|
|
310 |
1044 |
310 |
1063 |
310 |
1083 |
Исполнение с моментным рычагом

Фланец резьбовыми отверстиями впереди

Лапы с резьбовыми отверстиями внизу

Лапы со сквозными отверстиями внизу

|