|
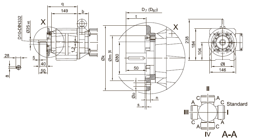
Вариант исполнения на лапах

Фланец со сквозными отверстиями

BG20(Z) |
k |
1 |
m |
n |
о |
q |
s |
t
|
D7 |
D B7 |
стандартный -37/ |
160 |
130 |
110 |
10 |
9 |
171 |
3.5 |
50 |
d+16.5 |
dB+16.5 |
большой -47/ |
200 |
165 |
130 |
12 |
11 |
178 |
3.5 |
43 |
d+16.5 |
dB +16.5 |
Тип |
а |
b |
c |
d |
i
|
Исполнение с тормозом |
iв |
ЕОО3 |
ЕОО4 |
ЕОО8 |
Z008 |
Z015 |
|
св |
dв |
св |
dв |
св |
dв |
св |
dв |
св |
dв |
|
|
BG20Z-../D04.. |
143 |
100 |
111 |
447 |
90 |
90 |
111 |
491 |
|
|
|
|
|
|
|
|
|
|
BG20-../D05" |
170 |
60 |
123 |
435 |
100 |
100 |
123 |
477 |
|
|
|
|
|
|
|
|
|
|
BG20Z-../D05" |
170 |
102 |
123 |
477 |
100 |
100 |
123 |
519 |
|
|
|
|
|
|
|
|
|
|
BG20-../D06" |
170 |
60 |
123 |
435 |
100 |
100 |
123 |
477 |
|
|
|
|
|
|
|
|
|
|
BG20Z-../D06" |
170 |
102 |
123 |
477 |
100 |
100 |
123 |
519 |
|
|
|
|
|
|
|
|
|
|
BG20-../D07" |
190 |
60 |
123 |
455 |
100 |
100 |
123 |
497 |
123 |
497 |
|
|
|
|
|
|
|
|
BG20Z-../D07" |
190 |
102 |
123 |
497 |
100 |
100 |
123 |
539 |
123 |
539 |
|
|
|
|
|
|
|
|
BG20-../D08" |
200 |
64 |
156 |
468 |
115 |
115 |
|
|
|
|
166 |
543 |
|
|
|
|
|
|
BG20Z-../D08" |
200 |
146 |
156 |
550 |
115 |
115 |
|
|
|
|
166 |
625 |
|
|
|
|
|
|
BG20-../D09" |
251 |
78.5 |
181 |
534 |
124 |
124 |
|
|
|
|
189 |
613 |
189 |
627 |
189 |
633 |
|
|
|