|
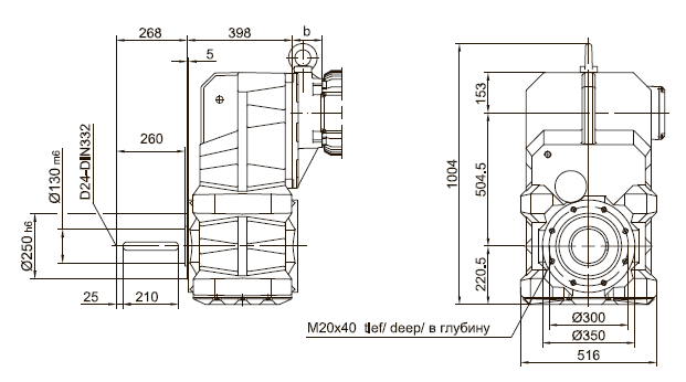
Вариант исполнения с литым моментным рычагом

Тип |
a |
b |
c |
d |
l
|
Исполнение с тормозом |
iв |
ЕОО8 |
Z008 |
Z015 |
Е075 |
|
св |
dв |
св |
dв |
св |
dв |
св |
dв |
|
|
BF90Z-../D09.. |
251 |
252.5 |
181 |
909 |
124 |
124 |
192 |
989 |
192 |
1003 |
192 |
1009 |
|
|
|
|
BF90-../D11.. |
319 |
87 |
228 |
812 |
181 |
181 |
|
|
|
|
231 |
915 |
231 |
945 |
|
|
BF90Z-../D11.. |
319 |
259 |
228 |
984 |
181 |
181 |
|
|
|
|
231 |
1087 |
231 |
1117 |
|
|
Тип |
a |
b |
c |
d |
l
|
iв |
ЕО75 |
Z075 |
Z100 |
Е500 |
|
св |
dв |
св |
dв |
св |
dв |
св |
dв |
|
|
BF90-../D13.. |
393 |
100 |
266 |
899 |
217 |
217 |
277 |
1034 |
277 |
1053 |
|
|
|
|
|
|
BF90Z-../D13.. |
393 |
272 |
266 |
1071 |
217 |
217 |
277 |
1206 |
277 |
1225 |
|
|
|
|
|
|
BF90-../D16.. |
429 |
114 |
322 |
949 |
243 |
243 |
326 |
1082 |
326 |
1101 |
326 |
1121 |
|
|
|
|
BF90Z-../D16.. |
429 |
286 |
322 |
1121 |
243 |
243 |
326 |
1254 |
326 |
1273 |
326 |
1293 |
|
|
|
|
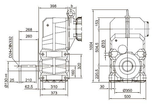
BF90-../D18.. |
528 |
136 |
368 |
1060 |
288 |
288 |
|
|
|
|
366 |
1250 |
366 |
1231 |
|
|
BF90-..-C-DNF22S |
612 |
281 |
390 |
1299 |
314 |
|
|
|
|
|
|
|
|
|
|
|
BF90-..-C-DNF22M |
652 |
281 |
390 |
1339 |
314 |
|
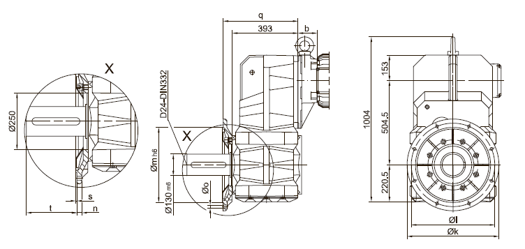
Фланец с резьбовыми отверстиями

Фланец со сквозными отверстиями

BF90(Z) |
k |
l
|
m |
n |
о |
q |
s |
t
|
стандартный -3./ |
550 |
500 |
450 |
22 |
17.5 |
448 |
5 |
218 |
большой -4./ |
660 |
600 |
550 |
25 |
22 |
442 |
6 |
224 |
Лапы с резьбовыми отверстиями слева и справа

|