|
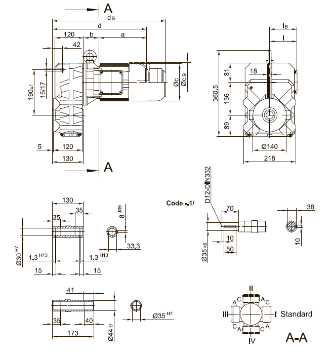
Вариант исполнения с литым моментным рычагом

Типы |
a |
b |
c |
d |
l
|
Исполнение с тормозом |
iв |
ЕОО3 |
ЕОО4 |
ЕОО8 |
Z008 |
Z015 |
|
СВ |
dв |
СВ |
dв |
СВ |
dв |
СВ |
dв |
СВ |
dв |
|
|
BF20Z-../D04 . |
143 |
100 |
111 |
374 |
90 |
90 |
111 |
417 |
|
|
|
|
|
|
|
|
|
|
BF20-../D05.. |
170 |
60 |
123 |
362 |
100 |
100 |
123 |
404 |
|
|
|
|
|
|
|
|
|
|
BF20Z-../D05 . |
170 |
102 |
123 |
404 |
100 |
100 |
123 |
446 |
|
|
|
|
|
|
|
|
|
|
BF20-../D06. |
170 |
60 |
123 |
362 |
100 |
100 |
123 |
404 |
|
|
|
|
|
|
|
|
|
|
BF20Z-../D06 . |
170 |
102 |
123 |
404 |
100 |
100 |
123 |
446 |
|
|
|
|
|
|
|
|
|
|
BF20-../D07.. |
190 |
60 |
123 |
382 |
100 |
100 |
123 |
424 |
123 |
424 |
|
|
|
|
|
|
|
|
BF20Z-../D07.. |
190 |
102 |
123 |
424 |
100 |
100 |
123 |
466 |
123 |
466 |
|
|
|
|
|
|
|
|
BF20-../D08.. |
200 |
64 |
156 |
395 |
115 |
115 |
|
|
|
|
166 |
470 |
|
|
|
|
|
|
BF20Z-../D08.. |
200 |
146 |
156 |
477 |
115 |
115 |
|
|
|
|
166 |
552 |
|
|
|
|
|
|
BF20-../D09. |
251 |
78.5 |
181 |
460 |
124 |
124 |
|
|
|
|
192 |
540 |
192 |
554 |
192 |
560 |
|
|
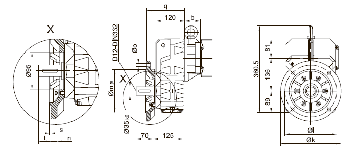
Фланец с резьбовыми отверстиями

Фланец со сквозными отверстиями

BF20(Z) |
k |
l |
m |
n |
о |
q |
s |
t |
стандартный -3./ |
250 |
215 |
180 |
16 |
13.5 |
159 |
4 |
42 |
малый -2./ |
200 |
165 |
130 |
12 |
11 |
150 |
3.5 |
51 |
Лапы с резьбовыми отверстиями слева и справа

|