|
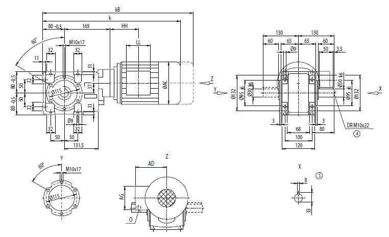
Монтажное исполнение фланец (тип-С)

| Мотор |
B.38
k |
kB |
AC |
AD |
AG |
LL |
HH |
O |
Вес
B.38 |
LA71 |
482.0 |
537.0 |
139.0 |
146 |
90 |
90 |
89.0 |
M20x1.5/M25x1.5 |
21 |
LA71Z |
501.0 |
556.0 |
139.0 |
146 |
90 |
90 |
89.0 |
M20x1.5/M25x1.5 |
21 |
LA80 |
519.0 |
582.5 |
156.5 |
155 |
90 |
90 |
88.5 |
M20x1.5/M25x1.5 |
26 |
LA80Z |
541.5 |
605.0 |
156.5 |
155 |
90 |
90 |
161.5 |
M20x1.5/M25x1.5 |
30 |
LA90S/L |
550.0 |
621.0 |
174.0 |
163 |
90 |
90 |
88.5 |
M20x1.5/M25x1.5 |
31 |
LA90ZL |
595.0 |
666.0 |
174.0 |
163 |
90 |
90 |
212.5 |
M20x1.5/M25x1.5 |
37 |
LA100L |
596.0 |
677.0 |
195.0 |
168 |
120 |
120 |
129.0 |
2xM32x1.5 |
40 |
LA100ZL |
666.0 |
747.0 |
195.0 |
168 |
120 |
120 |
261.0 |
2xM32x1.5 |
50 |
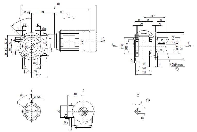
Монтажное исполнение на фланце (тип A)

| Фланец |
a1 |
b1 |
to2 |
c1 |
e1 |
f1 |
s1 |
A160 |
160 |
110 |
j6 |
10 |
130 |
3.0 |
9 |
A200 |
200 |
130 |
j6 |
12 |
165 |
3.5 |
11 |
| Мотор |
BF38
k |
kB |
AC |
AD |
AG |
LL |
HH |
O |
Вес
BF38 |
LA71 |
482.0 |
537.0 |
139.0 |
146 |
90 |
90 |
89.0 |
M20x1.5/M25x1.5 |
23 |
LA71Z |
501.0 |
556.0 |
139.0 |
146 |
90 |
90 |
89.0 |
M20x1.5/M25x1.5 |
23 |
LA80 |
519.0 |
582.5 |
156.5 |
155 |
90 |
90 |
88.5 |
M20x1.5/M25x1.5 |
28 |
LA80Z |
541.5 |
605.0 |
156.5 |
155 |
90 |
90 |
161.5 |
M20x1.5/M25x1.5 |
32 |
LA90S/L |
550.0 |
621.0 |
174.0 |
163 |
90 |
90 |
88.5 |
M20x1.5/M25x1.5 |
32 |
LA90ZL |
595.0 |
666.0 |
174.0 |
163 |
90 |
90 |
212.5 |
M20x1.5/M25x1.5 |
38 |
LA100L |
596.0 |
677.0 |
195.0 |
168 |
120 |
120 |
129.0 |
2xM32x1.5 |
41 |
LA100ZL |
666.0 |
747.0 |
195.0 |
168 |
120 |
120 |
261.0 |
2xM32x1.5 |
51 |
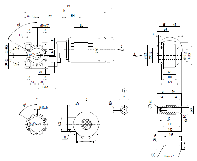
Монтажное исполнение корпус-фланец (тип C)

| d |
l9 |
M |
t |
u |
d7 |
q1 |
30 *) |
31 |
M10 |
33.3 |
8 |
50 |
72 |
35 |
40 |
M12 |
38.3 |
10 |
50 |
72 |
40 |
48 |
M16 |
43.3 |
12 |
55 |
73 |
| Мотор |
BA.38
k |
kB |
AC |
AD |
AG |
LL |
HH |
O |
Вес
BA.38 |
LA71 |
482.0 |
537.0 |
139.0 |
146 |
90 |
90 |
89.0 |
M20x1.5/M25x1.5 |
21 |
LA71Z |
501.0 |
556.0 |
139.0 |
146 |
90 |
90 |
89.0 |
M20x1.5/M25x1.5 |
21 |
LA80 |
519.0 |
582.5 |
156.5 |
155 |
90 |
90 |
88.5 |
M20x1.5/M25x1.5 |
26 |
LA80Z |
541.5 |
605.0 |
156.5 |
155 |
90 |
90 |
161.5 |
M20x1.5/M25x1.5 |
30 |
LA90S/L |
550.0 |
621.0 |
174.0 |
163 |
90 |
90 |
88.5 |
M20x1.5/M25x1.5 |
30 |
LA90ZL |
595.0 |
666.0 |
174.0 |
163 |
90 |
90 |
212.5 |
M20x1.5/M25x1.5 |
36 |
LA100L |
596.0 |
677.0 |
195.0 |
168 |
120 |
120 |
129.0 |
2xM32x1.5 |
39 |
LA100ZL |
666.0 |
747.0 |
195.0 |
168 |
120 |
120 |
261.0 |
2xM32x1.5 |
49 |
|