
Габаритные и присоединительные размеры мотор-редукторы Bonfiglioli A 90 |
| |
A 90...M
| ТИП |
|
M_FD M_FA |
M_FD |
M_FA |
AC |
H |
L |
AD |
Вес |
LF |
Вес |
R |
AD |
R |
AD |
A 90 3 |
S3 |
M3S |
195 |
397.5 |
930.5 |
142 |
413 |
1026.5 |
420 |
160 |
155 |
160 |
142 |
A 90 3 |
S3 |
M3L |
195 |
397.5 |
962.5 |
142 |
420 |
1053.5 |
427 |
160 |
155 |
160 |
142 |
A 90 3 |
S4 |
M4 |
258 |
429 |
1070.5 |
193 |
454 |
1179.5 |
472 |
226 |
193 |
217 |
193 |
A 90 3 |
S4 |
M4LC |
258 |
429 |
1105.5 |
193 |
462 |
1204.5 |
480 |
226 |
193 |
217 |
193 |
A 90 3 |
S5 |
M5S |
310 |
455 |
1157 |
245 |
482 |
1297 |
512 |
266 |
245 |
247 |
245 |
A 90 3 |
S5 |
M5L |
310 |
455 |
1201 |
245 |
498 |
1341 |
528 |
266 |
245 |
247 |
245 |
A 90 4 |
S1 |
M1S |
138 |
369 |
917.5 |
108 |
411 |
980.5 |
247 |
103 |
132 |
124 |
108 |
A 90 4 |
S1 |
M1L |
138 |
369 |
941.5 |
108 |
412 |
1002.5 |
249 |
103 |
132 |
124 |
108 |
A 90 4 |
S2 |
M2S |
156 |
378 |
970.5 |
119 |
422 |
1040.5 |
426 |
129 |
143 |
134 |
119 |
A 90 4 |
S3 |
M3S |
195 |
397.5 |
1013.5 |
142 |
427 |
1109.5 |
434 |
160 |
155 |
160 |
142 |
A 90 4 |
S3 |
M3L |
195 |
397.5 |
1045.5 |
142 |
434 |
1136.5 |
441 |
160 |
155 |
160 |
142 |
A 90 4 |
S4 |
M4 |
258 |
429 |
1153.5 |
193 |
468 |
1262.5 |
486 |
226 |
193 |
217 |
193 |
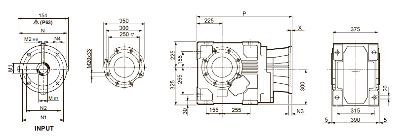
A 90...P(IEC)
 |
| ТИП |
M |
M1 |
M2 |
N |
N1 |
N2 |
N3 |
N4 |
X |
P |
Вес |
A 90 3 |
P80 |
19 |
21.8 |
6 |
200 |
165 |
130 |
— |
M10x12 |
4 |
723 |
400 |
A 90 3 |
P90 |
24 |
27.3 |
8 |
200 |
165 |
130 |
— |
M10x12 |
4 |
723 |
400 |
A 90 3 |
P100 |
28 |
31.3 |
8 |
250 |
215 |
180 |
— |
M12x16 |
4.5 |
733 |
401 |
A 90 3 |
P112 |
28 |
31.3 |
8 |
250 |
215 |
180 |
— |
M12x16 |
4.5 |
733 |
401 |
A 90 3 |
P132 |
38 |
41.3 |
10 |
300 |
265 |
230 |
16 |
14 |
5 |
769.5 |
409 |
A 90 3 |
P160 |
42 |
45.3 |
12 |
350 |
300 |
250 |
23 |
18 |
6 |
825 |
428 |
A 90 3 |
P180 |
48 |
51.8 |
14 |
350 |
300 |
250 |
23 |
18 |
6 |
825 |
429 |
A 90 3 |
P200 |
55 |
59.3 |
16 |
400 |
350 |
300 |
— |
M16x25 |
7 |
850 |
436 |
A 90 3 |
P225 |
60 |
64.4 |
18 |
450 |
400 |
350 |
30 |
18 |
6 |
895.5 |
472 |
A 90 3 |
P250 |
65 |
69.4 |
18 |
550 |
500 |
450 |
30 |
18 |
6 |
925.5 |
475 |
A 90 4 |
P63 |
11 |
12.8 |
4 |
140 |
115 |
95 |
— |
M8x19 |
4 |
786.5 |
411 |
A 90 4 |
P71 |
14 |
16.3 |
5 |
160 |
130 |
110 |
— |
M8x16 |
4.5 |
786.5 |
412 |
A 90 4 |
P80 |
19 |
21.8 |
6 |
200 |
165 |
130 |
— |
M10x12 |
4 |
806 |
413 |
A 90 4 |
P90 |
24 |
27.3 |
8 |
200 |
165 |
130 |
— |
M10x12 |
4 |
806 |
413 |
A 90 4 |
P100 |
28 |
31.3 |
8 |
250 |
215 |
180 |
— |
M12x16 |
4.5 |
816 |
415 |
A 90 4 |
P112 |
28 |
31.3 |
8 |
250 |
215 |
180 |
— |
M12x16 |
4.5 |
816 |
415 |
A 90 4 |
P132 |
38 |
41.3 |
10 |
300 |
265 |
230 |
16 |
14 |
5 |
852.5 |
423 |
A 90 4 |
P160 |
42 |
45.3 |
12 |
350 |
300 |
250 |
23 |
18 |
5.5 |
903 |
434 |
A 90 4 |
P180 |
48 |
51.8 |
14 |
350 |
300 |
250 |
23 |
18 |
5.5 |
903 |
434 |
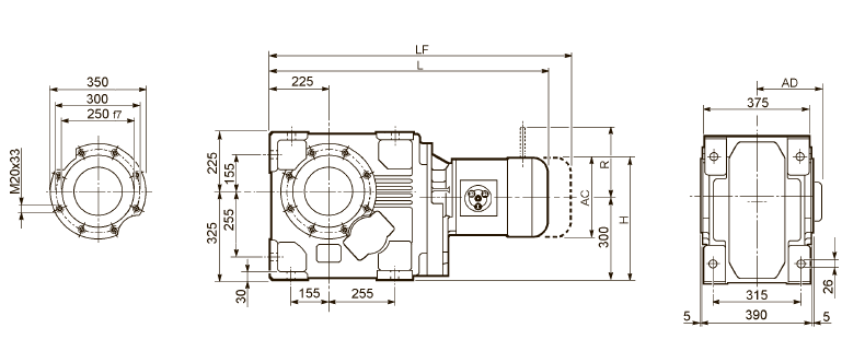
A 90...F...
A 90...UR
A 90...UD
A 90...UH
A 90...US
|
| |