
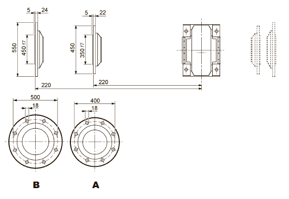
Габаритные и присоединительные размеры мотор-редукторы Bonfiglioli A 70 |
| |
A 70...M
ТИП
|
|
M_FD M_FA |
M_FD |
M_FA |
AC |
H |
L |
AD |
Вес |
LF |
Вес |
R |
AD |
R |
AD |
A 70 3 |
S2 |
M2S |
156 |
290 |
688.5 |
119 |
152 |
758.5 |
156 |
129 |
143 |
134 |
119 |
A 70 3 |
S3 |
M3S |
195 |
309.5 |
731.5 |
142 |
157 |
827.5 |
164 |
160 |
155 |
160 |
142 |
A 70 3 |
S3 |
M3L |
195 |
309.5 |
763.5 |
142 |
164 |
854.5 |
171 |
160 |
155 |
160 |
142 |
A 70 3 |
S4 |
M4 |
258 |
341 |
872.5 |
193 |
198 |
981.5 |
216 |
226 |
193 |
217 |
193 |
A 70 3 |
S4 |
M4LC |
258 |
341 |
907.5 |
193 |
206 |
1006.5 |
224 |
226 |
193 |
217 |
193 |
A 70 3 |
S5 |
M5S |
310 |
367 |
958 |
245 |
226 |
1098 |
256 |
266 |
245 |
247 |
245 |
A 70 3 |
S5 |
M5L |
310 |
367 |
1002 |
245 |
242 |
1142 |
272 |
266 |
245 |
247 |
245 |
A 70 4 |
S1 |
M1S |
138 |
281 |
686.5 |
108 |
151 |
749.5 |
154 |
103 |
132 |
124 |
108 |
A 70 4 |
S1 |
M1L |
138 |
281 |
710.5 |
108 |
152 |
771.5 |
155 |
103 |
132 |
124 |
108 |
A 70 4 |
S2 |
M2S |
156 |
290 |
739.5 |
119 |
156 |
809.5 |
160 |
129 |
143 |
134 |
119 |
A 70 4 |
S3 |
M3S |
195 |
309.5 |
782.5 |
142 |
161 |
878.5 |
168 |
160 |
155 |
160 |
142 |
A 70 4 |
S3 |
M3L |
195 |
309.5 |
814.5 |
142 |
168 |
905.5 |
175 |
160 |
155 |
160 |
142 |
A 70 4 |
S4 |
M4 |
258 |
341 |
922.5 |
193 |
202 |
1031.5 |
220 |
226 |
193 |
217 |
193 |
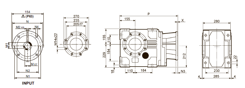
A 70...P(IEC)
| ТИП |
M |
M1 |
M2 |
N |
N1 |
N2 |
N3 |
N4 |
X |
P |
Вес |
A 70 3 |
P80 |
19 |
21.8 |
6 |
200 |
165 |
130 |
— |
M10x12 |
4 |
524 |
144 |
A 70 3 |
P90 |
24 |
27.3 |
8 |
200 |
165 |
130 |
— |
M10x12 |
4 |
524 |
144 |
A 70 3 |
P100 |
28 |
31.3 |
8 |
250 |
215 |
180 |
— |
M12x16 |
4.5 |
534 |
146 |
A 70 3 |
P112 |
28 |
31.3 |
8 |
250 |
215 |
180 |
— |
M12x16 |
4.5 |
534 |
146 |
A 70 3 |
P132 |
38 |
41.3 |
10 |
300 |
265 |
230 |
16 |
14 |
5 |
570.5 |
154 |
A 70 3 |
P160 |
42 |
45.3 |
12 |
350 |
300 |
250 |
23 |
18 |
6 |
626 |
169 |
A 70 3 |
P180 |
48 |
51.8 |
14 |
350 |
300 |
250 |
23 |
18 |
6 |
626 |
169 |
A 70 3 |
P200 |
55 |
59.3 |
16 |
400 |
350 |
300 |
— |
M16x25 |
7 |
651 |
179 |
A 70 4 |
P63 |
11 |
12.8 |
4 |
140 |
115 |
95 |
— |
M8x19 |
4 |
555.5 |
146 |
A 70 4 |
P71 |
14 |
16.3 |
5 |
160 |
130 |
110 |
— |
M8x16 |
4.5 |
555.5 |
146 |
A 70 4 |
P80 |
19 |
21.8 |
6 |
200 |
165 |
130 |
— |
M10x12 |
4 |
575 |
147 |
A 70 4 |
P90 |
24 |
27.3 |
8 |
200 |
165 |
130 |
— |
M10x12 |
4 |
575 |
147 |
A 70 4 |
P100 |
28 |
31.3 |
8 |
250 |
215 |
180 |
— |
M12x16 |
4.5 |
585 |
148 |
A 70 4 |
P112 |
28 |
31.3 |
8 |
250 |
215 |
180 |
— |
M12x16 |
4.5 |
585 |
148 |
A 70 4 |
P132 |
38 |
41.3 |
10 |
300 |
265 |
230 |
16 |
14 |
5 |
618.5 |
157 |
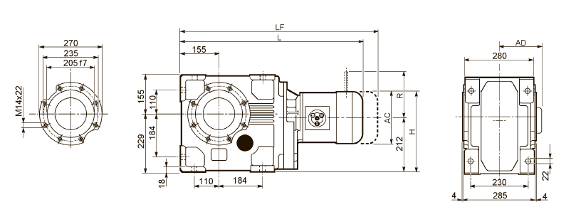
A 70...F...
A 70...UR
A 70...UD
A 70...UH
A 70...US
|
| |