
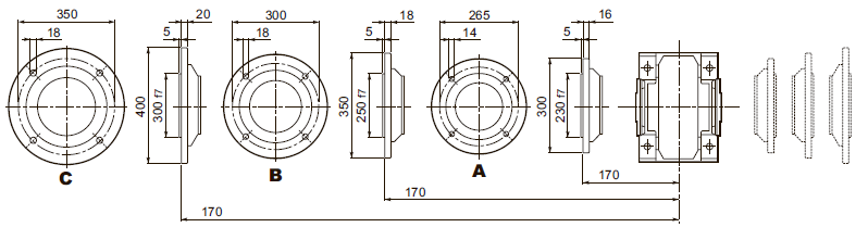
Габаритные и присоединительные размеры мотор-редукторы Bonfiglioli A 60 |
| |
A 60...M
ТИП
|
|
M_FD M_FA |
M_FD |
M_FA |
AC |
H |
L |
AD |
Вес |
LF |
Вес |
R |
AD |
R |
AD |
A 60 2/3 |
S2 |
M2S |
156 |
256.5 |
700.5 |
119 |
98 |
770.5 |
102 |
129 |
143 |
134 |
119 |
A 60 2/3 |
S3 |
M3S |
195 |
276 |
743.5 |
142 |
103 |
839.5 |
111 |
160 |
155 |
160 |
142 |
A 60 2/3 |
S3 |
M3L |
195 |
276 |
775.5 |
142 |
111 |
866.5 |
118 |
160 |
155 |
160 |
142 |
A 60 2/3 |
S4 |
M4 |
258 |
307.5 |
883.5 |
193 |
145 |
992.5 |
163 |
226 |
193 |
217 |
193 |
A 60 2/3 |
S4 |
M4LC |
258 |
307.5 |
917.5 |
193 |
153 |
1016.5 |
171 |
226 |
193 |
217 |
193 |
A 60 2/3 |
S5 |
M5S |
310 |
333.5 |
970 |
245 |
173 |
1110 |
203 |
266 |
245 |
247 |
245 |
A 60 2/3 |
S5 |
M5L |
310 |
333.5 |
1014 |
245 |
189 |
1154 |
219 |
266 |
245 |
247 |
245 |
A 60 4 |
S1 |
M1S |
138 |
247.5 |
718 |
108 |
99 |
781 |
101 |
103 |
132 |
124 |
108 |
A 60 4 |
S1 |
M1L |
138 |
247.5 |
742 |
108 |
100 |
803 |
103 |
103 |
132 |
124 |
108 |
A 60 4 |
S2 |
M2S |
156 |
256.5 |
771 |
119 |
104 |
841 |
108 |
129 |
143 |
134 |
119 |
A 60 4 |
S3 |
M3S |
195 |
276 |
814 |
142 |
109 |
910 |
117 |
160 |
155 |
160 |
142 |
A 60 4 |
S3 |
M3L |
195 |
276 |
846 |
142 |
117 |
937 |
124 |
160 |
155 |
160 |
142 |
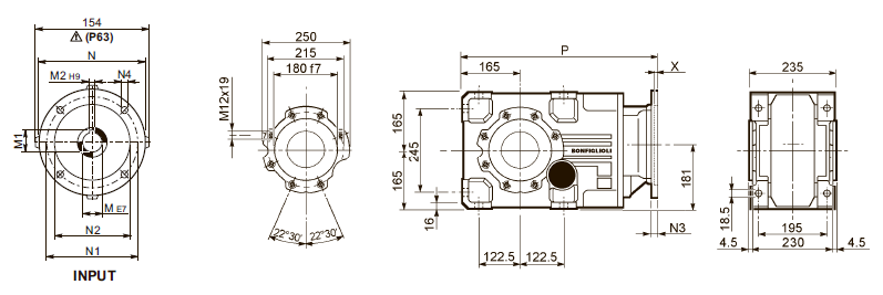
A 60...P(IEC)
| ТИП |
M |
M1 |
M2 |
N |
N1 |
N2 |
N3 |
N4 |
X |
P |
Вес
|
A 60 3 |
P63 |
11 |
12.8 |
4 |
140 |
115 |
95 |
— |
M8x19 |
4 |
516.5 |
90 |
A 60 3 |
P71 |
14 |
16.3 |
5 |
160 |
130 |
110 |
— |
M8x16 |
4.5 |
516.5 |
90 |
A 60 2/3 |
P80 |
19 |
21.8 |
6 |
200 |
165 |
130 |
— |
M10x12 |
4 |
536 |
91 |
A 60 2/3 |
P90 |
24 |
27.3 |
8 |
200 |
165 |
130 |
— |
M10x12 |
4 |
536 |
91 |
A 60 2/3 |
P100 |
28 |
31.3 |
8 |
250 |
215 |
180 |
— |
M12x16 |
4.5 |
546 |
95 |
A 60 2/3 |
P112 |
28 |
31.3 |
8 |
250 |
215 |
180 |
— |
M12x16 |
4.5 |
546 |
95 |
A 60 2/3 |
P132 |
38 |
41.3 |
10 |
300 |
265 |
230 |
16 |
14 |
5 |
581.5 |
104 |
A 60 2/3 |
P160 |
42 |
45.3 |
12 |
350 |
300 |
250 |
23 |
18 |
5.5 |
633 |
121 |
A 60 2/3 |
P180 |
48 |
51.8 |
14 |
350 |
300 |
250 |
23 |
18 |
5.5 |
633 |
121 |
A 60 4 |
P63 |
11 |
12.8 |
4 |
140 |
115 |
95 |
— |
M8x19 |
4 |
587 |
88 |
A 60 4 |
P71 |
14 |
16.3 |
5 |
160 |
130 |
110 |
— |
M8x16 |
4.5 |
587 |
88 |
A 60 4 |
P80 |
19 |
21.8 |
6 |
200 |
165 |
130 |
— |
M10x12 |
4 |
606.5 |
90 |
A 60 4 |
P90 |
24 |
27.3 |
8 |
200 |
165 |
130 |
— |
M10x12 |
4 |
606.5 |
90 |
A 60 4 |
P100 |
28 |
31.3 |
8 |
250 |
215 |
180 |
— |
M12x16 |
4.5 |
616.5 |
94 |
A 60 4 |
P112 |
28 |
31.3 |
8 |
250 |
215 |
180 |
— |
M12x16 |
4.5 |
616.5 |
94 |
A 60...F...
A 60...UR
A 60...UD
A 60...UH
A 60...US
A 60...QF
A 60...UV
|
| |