
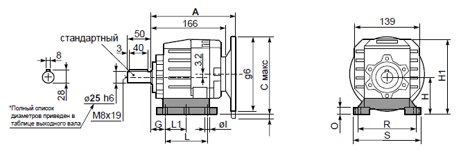
Габаритно-присоединительные размеры INNOVARI 403A |
| |
|
P403A

Тип лап |
Аналог |
G |
H |
R |
L |
L1 |
S |
H1 |
O |
øI |
S2 только для моторн.фланца |
Макс. фланец B5 |
Артикул |
B1 |
112 |
18 |
85 |
110 |
87 |
50 |
130 |
167 |
15 |
- |
- |
- |
KC35.9.021 |
B2 |
212/3 |
18 |
100 |
130 |
107.5 |
60 |
155 |
182 |
17 |
11 |
- |
- |
KC40.9.025 |
S1 |
17 |
18 |
75 |
110 |
90÷110 |
50 |
145 |
155 |
15 |
9 |
2 80/90B5 |
- |
KC40.9.022 |
S2 |
27 |
25 |
90 |
110 |
130 |
- |
145 |
172 |
20 |
9 |
- |
- |
KC40.9.024 |
H2 |
022-223 |
25 |
100 |
110 |
115 |
- |
145 |
182 |
20 |
9 |
- |
- |
KC40.9.026 |
M1 |
42/3 |
25 |
80 |
110÷120 |
85 |
- |
145 |
162 |
15 |
9 |
- |
- |
KC40.9.023 |
L4 |
04 |
13 |
80 |
105 |
76 |
- |
132 |
162 |
5 |
10 |
- |
- |
KC35.9.023LM |
L5 |
05 |
16 |
100 |
125 |
90 |
- |
150 |
182 |
6 |
12 |
- |
- |
KC40.9.027LM |
P403A-F

a1 ø |
b1 |
c1 |
e1 |
f1 |
s1 |
Артикул |
Комплектуется фланцем и лапами только по заказу. Совместимость уточняйте отдельно. |
120 |
80 |
10 |
100 |
3 |
9 |
KC40.9.010 |
140 |
95 |
10 |
115 |
3 |
9 |
KC40.9.011 |
160 |
110 |
10 |
130 |
3 |
9 |
KC40.9.012 |
200 |
130 |
11 |
165 |
3,5 |
11 |
KC40.9.013 |
250 |
180 |
11,5 |
215 |
3,5 |
14 |
KC40.9.014 |
P403A-N

Моторные фланцы B5 |
A |
Cмакс |
g6 |
k1 |
Артикул |
63 B5 |
182,5 |
201,2 |
140 |
185,5 |
K050.4.041 |
71 B5 |
180,5 |
211,2 |
160 |
183,5 |
K050.4.042 |
Моторные фланцы B14 |
A |
Cмакс |
g6 |
k1 |
Артикул |
56 B14 |
186,5 |
170,2 |
80 |
189,5 |
KC40.4.049 |
63 B14 |
181,5 |
176,2 |
90 |
184,5 |
K050.4.047 |
71 B14 |
182 |
183,7 |
105 |
185 |
K050.4.045 |
|
| |