
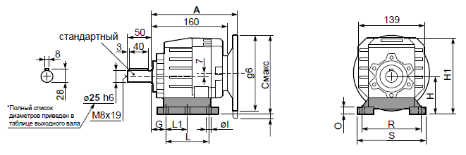
Габаритно-присоединительные размеры INNOVARI 402A |
| |
|
P402A

Тип лап |
Аналог |
G |
H |
R |
L |
L1 |
S |
H1 |
O |
øI |
S2 только для моторн.фланца |
Макс. фланец B5 |
Артикул |
B1 |
112 |
18 |
85 |
110 |
87 |
50 |
130 |
167 |
15 |
- |
8 80/90B5
33 100/112B5 |
- |
KC35.9.021 |
B2 |
212/3 |
18 |
100 |
130 |
107,5 |
60 |
155 |
182 |
17 |
11 |
18 100/112B5 |
- |
KC40.9.025 |
S1 |
17 |
18 |
75 |
110 |
90÷110 |
50 |
145 |
155 |
15 |
9 |
18 80/90B5
43 100/112B5 |
- |
KC40.9.022 |
S2 |
27 |
25 |
90 |
110 |
130 |
- |
145 |
172 |
20 |
9 |
3 80/90B5
28 100/112B5 |
- |
KC40.9.024 |
H2 |
022-223 |
25 |
100 |
110 |
115 |
- |
145 |
182 |
20 |
9 |
18 100/112B5 |
- |
KC40.9.026 |
M1 |
42/3 |
25 |
80 |
110÷120 |
85 |
- |
145 |
162 |
15 |
9 |
13 80/90B5
38 100/112B5 |
- |
KC40.9.023 |
L4 |
04 |
13 |
80 |
105 |
76 |
- |
132 |
162 |
5 |
10 |
13 80/90B5
38 100/112B5 |
- |
KC35.9.023LM |
L5 |
05 |
16 |
100 |
125 |
90 |
- |
150 |
182 |
6 |
12 |
18 100/112B5 |
- |
KC40.9.027LM |
P402A-F

a1 ø |
b1 |
c1 |
e1 |
f1 |
s1 |
Артикул |
Комплектуется фланцем и лапами только по заказу. Совместимость уточняйте отдельно. |
120 |
80 |
10 |
100 |
3 |
9 |
KC40.9.010 |
140 |
95 |
10 |
115 |
3 |
9 |
KC40.9.011 |
160 |
110 |
10 |
130 |
3 |
9 |
KC40.9.012 |
200 |
130 |
11 |
165 |
3,5 |
11 |
KC40.9.013 |
250 |
180 |
11,5 |
215 |
3,5 |
14 |
KC40.9.014 |
P402A-N

Моторные фланцы B5 |
A |
Cmax |
g6 |
k1 |
Артикул |
63 B5 |
180.5 |
177 |
140 |
183.5 |
K063.4.041 |
71 B5 |
178.5 |
187 |
160 |
181.5 |
K063.4.042 |
80/90 B5 |
180.5 |
207 |
200 |
183.5 |
K063.4.043 |
100/112 B5 |
196.5 |
232 |
250 |
199.5 |
KC40.4.043 |
Моторные фланцы B14 |
A |
Cмакс |
g6 |
k1 |
Артикул |
71 B14 |
178,5 |
142,5 |
105 |
181,5 |
K063.4.047 |
80 B14 |
179,5 |
150 |
120 |
182,5 |
K063.4.046 |
90 B14 |
180,5 |
160 |
140 |
183,5 |
K063.4.041 |
100/112 B14 |
196,5 |
170 |
160 |
199,5 |
KC40.4.041 |
|
| |